lemon-mirror:
Home >> Saturn >> 2007 >> Outlook V6-3.6L >> Repair and Diagnosis >> Powertrain Management >> Computers and Control Systems >> Relays and Modules - Computers and Control Systems >> Engine Control Module >> Service and Repair

Engine Control Module: Service and Repair





ENGINE CONTROL MODULE REPLACEMENT

NOTE:
- Turn the ignition OFF when installing or removing the control module connectors and disconnecting or reconnecting the power to the control module (battery cable, powertrain control module (PCM)/engine control module (ECM)/transaxle control module (TCM) pigtail, control module fuse, jumper cables, etc.) in order to prevent internal control module damage.
- Control module damage may result when the metal case contacts battery voltage. DO NOT contact the control module metal case with battery voltage when servicing a control module, using battery booster cables, or when charging the vehicle battery.
- In order to prevent any possible electrostatic discharge damage to the control module, do no touch the connector pins or the soldered components on the circuit board.
- Remove any debris from around the control module connector surfaces before servicing the control module. Inspect the control module connector gaskets when diagnosing or replacing the control module. Ensure that the gaskets are installed correctly. The gaskets prevent contaminant intrusion into the control module.
- The replacement control module must be programmed.

IMPORTANT: It is necessary to record the remaining engine oil life. If the replacement module is not programed with the remaining engine oil life, the engine oil life will default to 100 percent. If the replacement module is not programmed with the remaining engine oil life, the engine oil will need to be changed at 5 000 km (3,000 mi) from the last engine oil change.

It is necessary to record the remaining automatic transmission fluid life. If the replacement module is not programed with the remaining automatic transmission fluid life, the automatic transmission fluid life will default to 100 percent. If the replacement module is not programmed with the remaining automatic transmission fluid life, the automatic transmission fluid will need to be changed at 83 000 km (50,000 mi) from the last automatic transmission fluid change.

REMOVAL PROCEDURE




1. Turn the ignition OFF.
2. Using a scan tool, retrieve the percentage of remaining engine oil and the remaining automatic transmission fluid life. Record the remaining engine oil and the remaining automatic transmission fluid life.
3. Disconnect the negative battery cable.
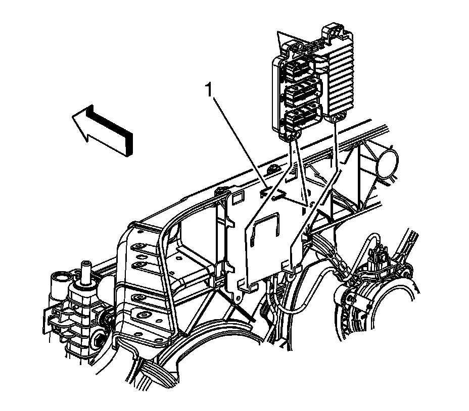
4. Disconnect the engine wiring harness middle and lower electrical connectors (1) from the ECM.




5. If also replacing the ECM bracket, remove the engine wiring harness clip (2) from the ECM bracket tab.
6. Disconnect the engine wiring harness upper electrical connector (1) from the ECM.




7. NOTE: In order to prevent any possible electrostatic discharge damage to the ECM, do not touch the connector pins.

Gently lift up the retaining tab (1) and lift the ECM up and out of the support brackets on the ECM bracket.




8. If necessary, remove the ECM bracket bolts (1) and bracket.

INSTALLATION PROCEDURE

1. NOTE: Refer to Fastener Notice.




If necessary, position the ECM bracket and install the bolts (1).

Tighten the bolts to 6 N.m (53 lb in).




2. Install the ECM onto the ECM bracket support tabs and snap the ECM into place under the retaining tab (1).




3. Connect the engine wiring harness upper electrical connector (1) to the ECM.
4. If the ECM bracket was also replaced, install the engine wiring harness clip (2) to the ECM bracket tab.




5. Connect the engine wiring harness middle and lower electrical connectors (1) to the ECM.
6. Connect the negative battery cable.
7. If a NEW ECM was installed, reprogram the ECM. Programming and Relearning