lemon-mirror:
Home >> Saturn >> 2007 >> ION L4-2.4L >> Repair and Diagnosis >> Powertrain Management >> Computers and Control Systems >> Coolant Temperature Sensor/Switch (For Computer) >> Service and Repair

Coolant Temperature Sensor/Switch (For Computer): Service and Repair



Engine Coolant Temperature Sensor Replacement

Removal Procedure

Notice: Use care when handling the coolant sensor. Damage to the coolant sensor will affect the operation of the fuel control system.




1. Drain the cooling system. Refer to Draining and Filling Cooling System (2.0L (LSJ) Static Fill) Draining and Filling Cooling System (2.2L (L61), 2.4L (LE5) Static Fill) Draining and Filling Cooling System (GE 47716 Fill).
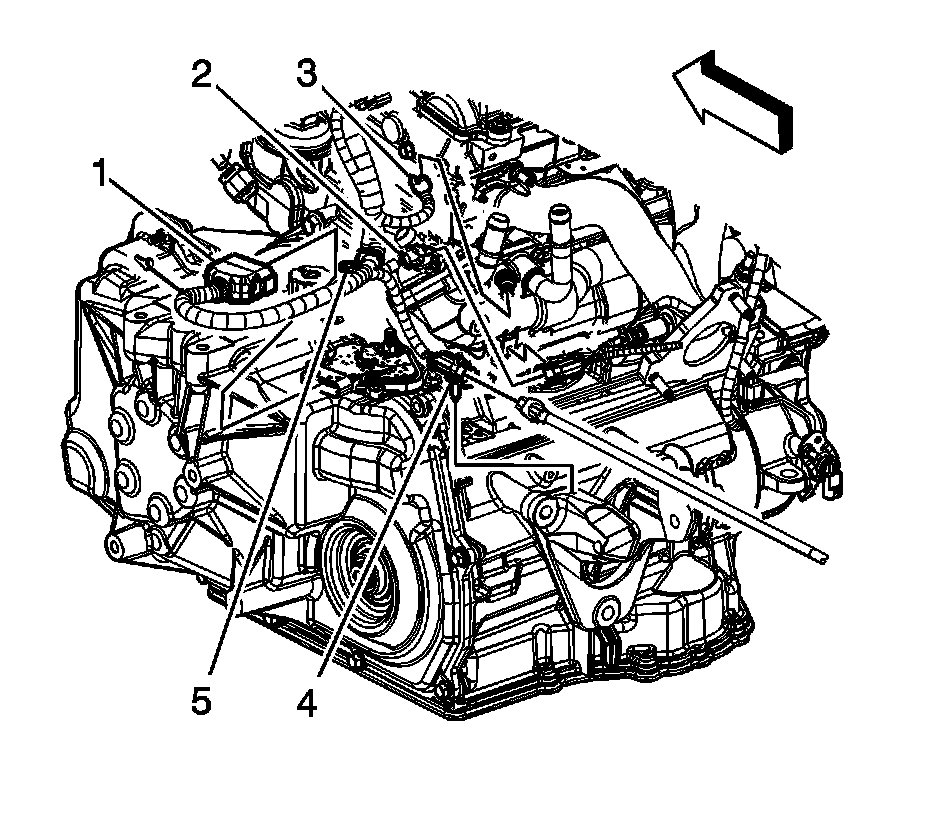
2. If equipped with regular production option (RPO) MN5, disconnect the engine harness electrical connector (3) from the engine coolant temperature (ECT) sensor.




3. If equipped with RPO M86, disconnect the engine harness electrical connector (3) from the ECT sensor.




4. Carefully remove the ECT sensor.

Installation Procedure

Notice: Replacement components must be the correct part number for the application. Components requiring the use of the thread locking compound, lubricants, corrosion inhibitors, or sealants are identified in the service procedure. Some replacement components may come with these coatings already applied. Do not use these coatings on components unless specified. These coatings can affect the final torque, which may affect the operation of the component. Use the correct torque specification when installing components in order to avoid damage.

Notice: Use care when handling the coolant sensor. Damage to the coolant sensor will affect the operation of the fuel control system.




1. If you are reinstalling the original sensor, or if you are installing a NEW sensor without a sealer, coat the threads with sealant. Refer to Sealers, Adhesives, and Lubricants.

Notice: Refer to Fastener Notice.

2. Install the ECT sensor.

Tighten the sensor to 20 N.m (15 lb ft).




3. If equipped with RPO M86, connect the engine harness electrical connector (3) to the ECT sensor.




4. If equipped with RPO MN5, connect the engine harness electrical connector (3) to the ECT sensor.
5. Fill the cooling system. Refer to Draining and Filling Cooling System (2.0L (LSJ) Static Fill) Draining and Filling Cooling System (2.2L (L61), 2.4L (LE5) Static Fill) Draining and Filling Cooling System (GE 47716 Fill).