lemon-mirror:
Home >> Saturn >> 2007 >> ION L4-2.2L >> Repair and Diagnosis >> Powertrain Management >> Computers and Control Systems >> Data Link Connector >> Locations >> Lighting Systems Component Views

Lighting Systems Component Views



Lighting Systems Component Views

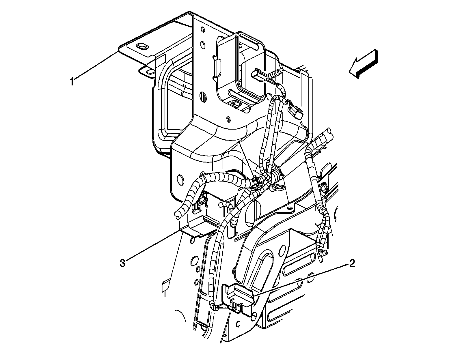
Left Side of the I/P, Under the Tie Bar (T82)




1 - I/P Tie Bar
2 - Data Link Connector (DLC)
3 - Headlamp Relay