lemon-mirror:
Home >> Saturn >> 2006 >> ION L4-2.2L VIN F >> Repair and Diagnosis >> Powertrain Management >> Computers and Control Systems >> Data Link Connector >> Locations

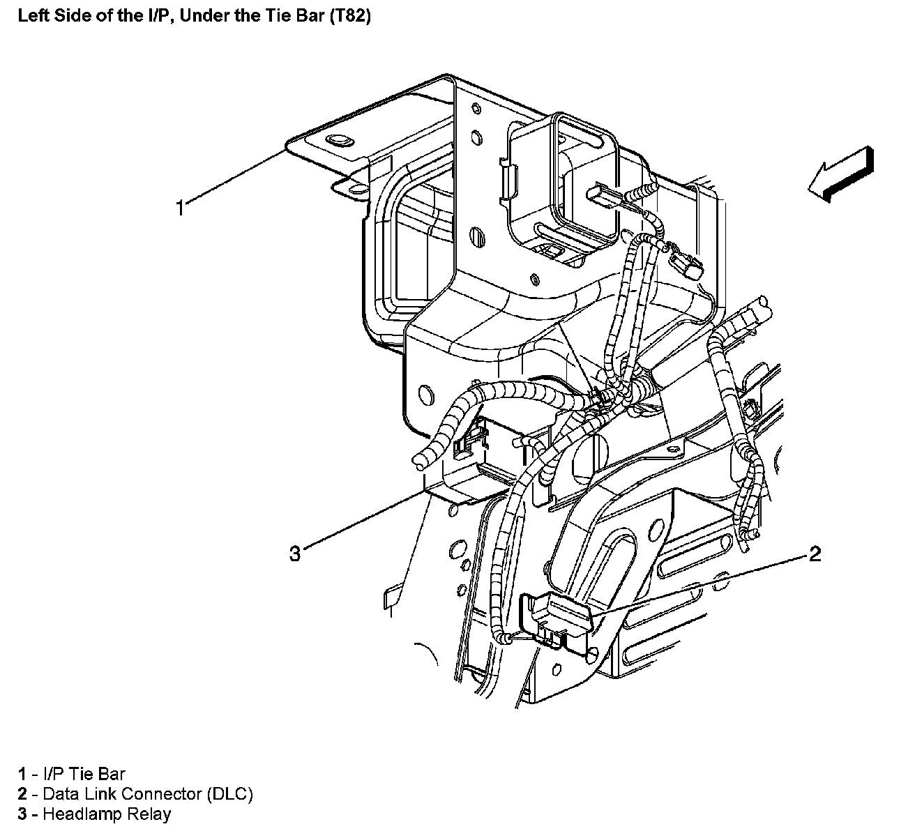
Data Link Connector: Locations

Left Side Of The I/P, Under The Tie Bar (With RPO Code T82):