lemon-mirror:
Home >> Saturn >> 2006 >> ION L4-2.0L SC VIN P >> Repair and Diagnosis >> Powertrain Management >> Computers and Control Systems >> Description and Operation >> Boost Control System

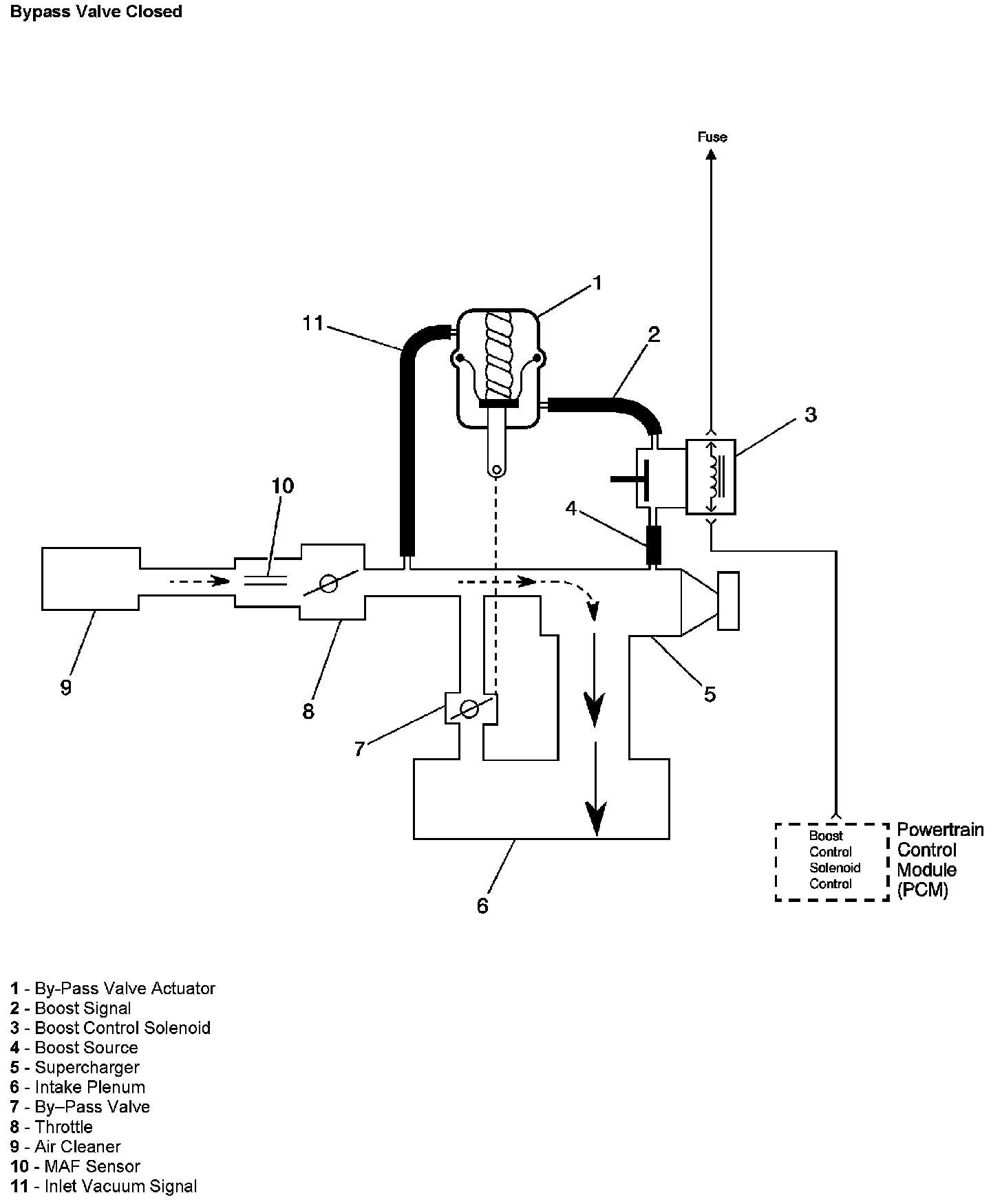
Boost Control System



BOOST CONTROL SYSTEM DESCRIPTION

Bypass Valve Open:






BOOST CONTROL SYSTEM OPERATION

Bypass Valve Closed:






OPERATION
Supercharger boost pressure is regulated to prevent engine and drive train damage. When the engine is operating under high boost conditions, the powertrain control module (PCM) limits boost pressure to 83 kPa (12 psi). The PCM disables boost under the following conditions:
- When reverse gear is selected
- When the engine coolant temperature (ECT) is excessively high
- When drivetrain abuse is detected
- When the vehicle is decelerating
- If an intercooler pump failure is detected
- If the intake air temperature (IAT) sensor 2 becomes excessively high
- Under heavy load in first and second gear at engine speeds above 5,800 RPM.

The PCM controls boost pressure by using the boost control solenoid. The boost control solenoid is normally an open valve. Under most conditions, the PCM commands the boost control solenoid to operate at a 99-100 percent duty cycle. This keeps the solenoid valve closed and allows only inlet vacuum to control the position of the bypass valve. At idle, engine vacuum is applied to the upper side of the bypass valve actuator, counteracting spring tension to hold the bypass valve open. As engine load is increased, engine vacuum is decreased, causing the spring in the bypass valve actuator to overcome the applied vacuum, closing the bypass valve and allowing the boost pressure to increase. The bypass valve starts to close when the vacuum measures 250 mm Hg (10 in Hg) and is fully closed at 90 mm Hg (3.5 in Hg). When reduced boost pressure is desired, the PCM commands the boost control solenoid to operate at a 0 percent duty cycle. This opens the solenoid valve and allows boost pressure to enter the bypass valve actuator at the lower side to counteract the spring tension, opening the bypass valve and recirculating excess boost pressure back into the supercharger inlet.

RESULTS OF INCORRECT OPERATION
An open boost control solenoid control circuit, an open ignition 1 circuit, or boost control solenoid valve stuck open will cause reduced engine power, especially during wide open throttle operation.

The boost control solenoid control circuit shorted to ground, boost control solenoid valve stuck closed or a restriction in the boost source or signal hoses will cause full boost to be commanded at all times and a possible overboost condition during high engine load situations.

A restriction in the vacuum signal hose to the bypass valve actuator or a stuck closed bypass valve will cause a rough idle and reduced fuel economy.