lemon-mirror:
Home >> Saturn >> 2004 >> VUE AWD L4-2.2L VIN D >> Repair and Diagnosis >> Maintenance >> Timing Component Alignment Marks >> Locations >> Installation

Installation

Installation Procedure

Notice: Refer to Fastener Notice in Service Precautions.





1. Install the timing chain oiler nozzle and the bolt, then tighten.
^ Tighten the timing chain oil nozzle bolt to 10 Nm (89 inch lbs.).
2. Install the timing chain drive sprocket to the crankshaft.





Notice: Set crankshaft to 60° before top-dead center or after TDC to prevent valve to piston contact.

3. Using the dampener, rotate the crank so that the mark on the timing chain drive sprocket is at 5 o'clock position.
4. Set the crankshaft to 60° before the top dead center.





5. Position the exhaust camshaft with the offset slot to 2 o'clock position.





6. Position intake camshaft with offset slot to 11 o'clock position.
7. Assemble the chain to the intake camshaft sprocket aligning the upper link to the INT diamond timing mark on the camshaft sprocket.





Important: When lowering the timing chain into the cylinder head, rotate the assembly 90 to allow the chain to fall between the cylinder block bosses, then rotate the assembly back so that the camshaft sprocket is facing forward.

8. Lower the assembly through chain housing opening on top of the cylinder head. Use care to make sure that the chain goes around both sides of the cylinder block bosses.





Important: The crankshaft sprocket timing mark will be at approximately the 5 o'clock position.

9. Route the chain around the crankshaft sprocket and align the silver link to the timing mark.





Notice: The camshaft sprocket bolts are not reusable, it is a Torque-To-Yield (TTY) bolt, and must be discarded to prevent premature failure.

10. Install the intake camshaft sprocket with the chain in proper position to the camshaft. Rotate the intake camshaft using a 24 mm wrench on the flats on the camshaft until the camshaft aligns with the sprocket.
11. Install the new intake camshaft sprocket bolt and finger tighten.





Notice: Excess slack in the chain must be kept to the chain tensioner side (movable guide) of the cylinder block when installing the timing chain or the camshaft sprockets will not be correctly timed to the crankshaft sprocket.

Important: Make sure the crankshaft marks and the camshaft marks aligns with the colored links.

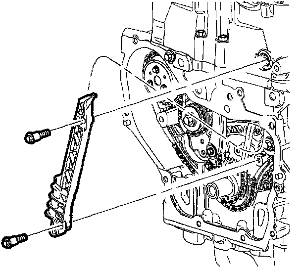
12. Install the adjustable timing chain guide through the opening at the top of the cylinder head and install the chain guide bolt.
^ Tighten the timing chain guide (adjustable) bolt to 10 Nm (89 inch lbs.).





13. Install the exhaust camshaft sprocket loosely on the exhaust camshaft with the timing mark on the sprocket aligned with the silver link.
14. Install new camshaft sprocket bolt loosely.





15. Align the camshaft sprocket with the chain in proper position to the camshaft. Rotate the exhaust clockwise using a 24 mm wrench on the flats on the camshaft until the camshaft aligns with the sprocket.





16. Verify that all the colored links are aligned with the appropriate intake (1), crankshaft sprocket (2), and (3) exhaust marks.
17. Verify the crankshaft sprocket timing mark is at 5 o'clock.
18. If marks are not correct, you must repeat the timing procedure.





19. Install the fixed timing chain guide and bolts.
^ Tighten the timing chain fixed bolts to 10 Nm (89 inch lbs.).





20. Apply the thread sealant Permatex Thread Pipe Sealant or equivalent compound to the thread. Install fixed guide bolt access hole plug.
^ Tighten the timing chain bolt access hole plug to 40 Nm (30 ft. lbs.).





Notice: Use a 24 mm wrench to support the camshaft while applying torque to camshaft sprocket bolt. Do not torque camshaft bolts against timing chain, as it may damage the timing chain.

21. Tighten intake and exhaust camshaft sprocket bolts while holding camshaft with 24 mm wrench.
^ Tighten the camshaft sprocket bolts to 85 Nm (63 ft. lbs.) + 3°





Important: A new tensioner should be supplied in the fully compressed non-active state. A tensioner in the compressed state will measure 72 mm (2.83 inch) (1) from end to end. A tensioner in the active state will measure 85 mm (3.53 inch) from end to end.

22. Inspect the timing chain tensioner. If the timing chain tensioner, O-ring seal, or washer is damaged, replace the timing chain tensioner.





23. Measure the timing chain tensioner assembly from end-to-end.
24. If the timing chain tensioner is not in the compressed state perform the following steps;
24.1. Remove the piston assembly from the body of the timing chain tensioner by pulling it out.
24.2. Install J45027-2 (2) into a vise.
24.3. Install the notch end of the piston assembly into the J45027-2 (2).
25. Using J45027-1 (1), turn the ratchet cylinder into the piston.





26. Inspect the bore of the tensioner body for dirt, debris and damage. If any damage appears, replace the tensioner. Clean dirt of debris out with a lint free cloth.
27. Install the compressed piston assembly back into the timing chain tensioner body until it stops at the bottom of the bore. Do not compress the piston assembly against the bottom of the bore. If the piston assembly is compressed against the bottom of the bore, it will activate the tensioner, which will then need to be reset again.
28. At this point, the tensioner should measure approximately 72 mm (2.83 inch) (1) from end-to-end. If the tensioner does not read 72 mm (2.83 inch) (1) from end to end repeat step 24





29. Ensure all dirt and debris is removed from the timing chain tensioner threaded hole in the cylinder head.
30. Install the new timing chain tensioner assembly bolt and tighten.
^ Tighten the timing chain tensioner assembly bolt to 75 Nm (55 ft. lbs.).
31. The timing chain tensioner is released by compressing it 2 mm (0.079 inch) which will release the locking mechanism in the ratchet. To release the timing chain tensioner, use a suitable tool with a rubber tip on the end. Feed the tool down through the cam drive chest to rest on the cam chain. Then give a sharp jolt diagonally downwards to release the tensioner.





32. Install the upper timing chain guide and bolts.
^ Tighten the timing chain guide (upper) bolts to 10 Nm (89 inch lbs.).





33. Raise the vehicle if necessary.
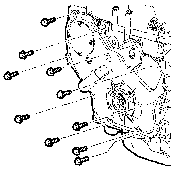
34. Install the new front cover gasket.
35. Install the front cover assembly.





36. Install the front cover assembly bolts.
^ Tighten the front cover-to-block bolts to 25 Nm (18 ft. lbs.).
37. Install the front cover water pump bolt.
^ Tighten the water pump bolts to 25 Nm (18 ft. lbs.).
38. Lubricate the front seal and the sealing surface of the pulley with the clean motor oil.
39. Install the balancer pulley onto the crankshaft indexing keyway. Use care to properly align the flats on the balancer pulley with the flats on the oil pump drive in the front cover assembly.
40. Install the crankshaft damper pulley.





41. Install the new crankshaft balancer pulley bolt with the washer assembly.





42. Install the J 38122-A.
^ Tighten the crankshaft pulley bolt to 100 Nm (74 ft. lbs.) + 75°





43. Install the accessory drive belt tensioner.
^ Tighten the drive belt tensioner bolts to 45 Nm (33 ft. lbs.).
44. Route belt around the alternator and the A/C compressor.
45. Install the J 39914 onto the tensioner and unload spring tension from the tensioner while positioning the belt.
46. Release the tensioner and remove the tool.





47. Install the right hand engine bracket and bolts.
^ Tighten the engine mount bracket-to-engine bolts to 110 Nm (81 ft. lbs.).





48. Install the right hand engine mount shims.
49. Install the right hand engine mount onto the body side rail studs.
50. Install the right hand engine mount-to-body nuts.
^ Tighten the engine mount-to-body nuts to 110 Nm (81 ft. lbs.).
51. Install the right-hand engine mount-to-engine mount bracket bolts.
^ Tighten the engine mount-to-engine mount bracket bolts to 50 Nm (37 ft. lbs.).
52. Remove the SA9105E.
53. Install the right engine inner splash shield.
54. Install the right wheel and hand-tighten the wheel nuts.
55. Tighten the wheel nuts.
^ Tighten the wheel nuts to 125 Nm (92 ft. lbs.).





56. Visually inspect the camshaft cover gasket for signs of leakage. The camshaft cover gasket is reusable if not damaged.
57. Assemble the camshaft cover and gasket using care to make sure that gasket is located in retaining groove on camshaft cover.
58. Install the cover on cylinder head and hand-tighten the bolts.
^ Tighten the camshaft cover bolts to 10 Nm (89 inch lbs.).





59. Reposition fuel line assembly.

Notice: An open-end wrench must be used to support the fuel line to rail connection during loosening/tightening to avoid damaging the fuel rail assembly.

60. Install the transfer line fitting at fuel to fuel rail.
^ Tighten the transfer line fitting-to-fuel rail to 10 Nm (89 inch lbs.).





61. Connect the fuel rail bracket and bolt to the cylinder head.
^ Tighten the fuel line bracket bolt to 10 Nm (89 inch lbs.).





62. Connect the ground strap to the camshaft cover assembly.
^ Tighten the camshaft cover ground strap bolts to 10 Nm (89 inch lbs.).
63. Connect the degas hose and attach to the fuel rail.
64. Connect the coolant pipe bracket bolts to the cylinder head.
^ Tighten the coolant pipe bracket bolt to 10 Nm (89 inch lbs.).





65. Install the spark plugs (if removed).
^ Tighten the spark plugs to 20 Nm (15 ft. lbs.).
66. Install the ignition module assembly to the cam cover and hand-tighten the retaining bolts.
^ Tighten the ignition module-to-camshaft cover bolts to 8 Nm (71 inch lbs.).





67. Install the air cleaner assembly and bolt.
^ Tighten the air cleaner-to-support bracket bolt to 10 Nm (89 inch lbs.).
68. Install the outlet resonator/duct assembly into position.
69. Connect the PCV fresh air vent hose assembly.
70. Tighten the clamp at the throttle body assembly.
71. Position the outlet resonator/duct assembly up with support bracket and install push-pin.
72. Tighten the clamp at the air cleaner assembly.
73. Connect the Intake Air Temperature (IAT) sensor connector.
74. Connect the negative battery cable.
^ Tighten the battery terminal bolt to 17 Nm (13 ft. lbs.).