lemon-mirror:
Home >> Saturn >> 2004 >> L Series L4-2.2L VIN F >> Repair and Diagnosis >> Specifications >> Mechanical Specifications >> Engine >> Timing Components >> System Specifications

System Specifications

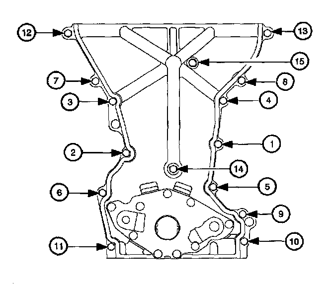
TORQUE SPECIFICATIONS

Crankshaft Pulley Bolt
First Pass 100 Nm (74 ft. lbs.)
Final Pass 125 degrees





Front Cover Perimeter Bolts 30 Nm (22 ft. lbs.)
Front Cover Lower Center Bolt (14) 10 Nm (89 inch lbs.)
Adjustable timing chain guide bolt 10 Nm (89 inch lbs.)
Fixed timing chain guide bolts 10 Nm (89 inch lbs.)
Upper timing chain guide bolts 10 Nm (89 inch lbs.)
Intake camshaft sprocket bolt 85 Nm (63 ft. lbs.) plus 30 degrees
Timing chain tensioner 75 Nm (55 ft. lbs.)
Timing chain oiling nozzle bolt 10 Nm (89 inch lbs.)
Access hole plug 90 Nm (66 ft. lbs.)