lemon-mirror:
Home >> Saturn >> 2004 >> L Series L4-2.2L VIN F >> Repair and Diagnosis >> Cruise Control >> Cruise Control Module >> Service and Repair

Cruise Control Module: Service and Repair

CRUISE CONTROL MODULE REPLACEMENT

REMOVAL PROCEDURE




1. Turn the ignition OFF.
2. Remove the cruise control module to bracket bolts leaving the bracket attached to the frame rail.
3. Remove the cruise control throttle cable clip attached to the front of the dash.
4. Pull the cruise control module up behind the power brake booster.




5. Disconnect the cruise control module harness connector.
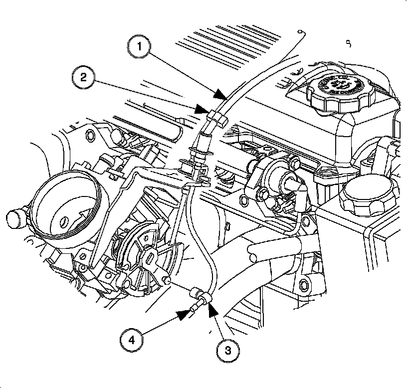
- Cruise Control Throttle Cable (1)
- Cable Snap (3)
- Cable End (4)
6. Disconnect the cruise control throttle cable snap from the throttle body cam.
7. Unclip the cruise control throttle cable from both attachment clips.




8. Disconnect the cruise control throttle cable from the module by rotating the cable 1/4 turn counter-clockwise at the module.
9. Remove the cable from the connecting strap.
10. Remove and discard the cut cruise control throttle cable and replace with an adjustable cruise control throttle cable.

INSTALLATION PROCEDURE




1. Connect the cruise control throttle cable to the cruise control module connecting strap.

IMPORTANT: Do not twist the connecting strap during installation.

2. Install the cruise control throttle cable to the cruise control module by rotating 1/4 turn clockwise.

NOTE: Refer to Fastener Notice in Service Precautions.

3. Install the cruise control module with the throttle cable into the frame rail bracket and install the attachment bolts.

Tighten the cruise control module to frame rail bracket bolts to 10 N.m (89 lb in).




4. Install the throttle cable clip to the front of the dash stud.
- Cruise Control Throttle Cable (1)
- Cable Snap (3)
- Cable End (4)
5. Install the cruise control throttle cable snap to the throttle body cam.
6. Install the cruise control throttle cable to both attachment clips.
7. Connect the cruise control module harness connector. Push in until a click is heard and pull back to confirm a positive engagement.