lemon-mirror:
Home >> Saturn >> 2004 >> ION L4-2.0L SC VIN P >> Repair and Diagnosis >> Cruise Control >> Cruise Control Module >> Service and Repair

Cruise Control Module: Service and Repair

CRUISE CONTROL MODULE REPLACEMENT

REMOVAL PROCEDURE




1. Disconnect the negative battery cable.
2. Disconnect the cruise control module harness connector.
3. Disconnect the cruise control cable from the cruise control module by turning the cable 1/4 turn counterclockwise.




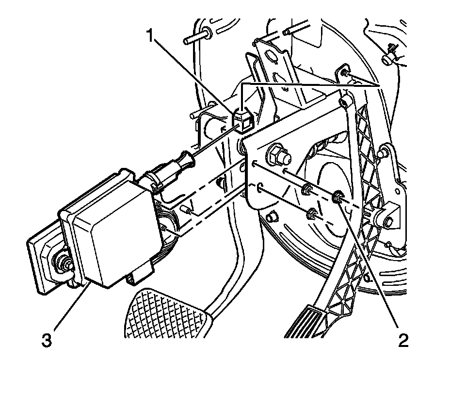
4. Disconnect the cruse control cable (1) from the accelerator pedal.
5. Remove the nuts (2) from the cruise control module.
6. Remove the cruse module from the vehicle.

INSTALLATION PROCEDURE
1. Position the cruise control module to the mounting bracket.




2. Install the cruse control module to bracket nuts (2).

NOTE: Refer to Fastener Notice in Service Precautions.

Tighten
Tighten the nuts to 10 N.m (89 lb in).




3. Connect the cruise control cable to the accelerator pedal.




4. Connect the cruise control cable (2) to the cruise control module ribbon (4).

IMPORTANT: The ribbon must not be twisted.




5. Insert the cruise control cable into the cruise control module until the seal touches the module.




6. Position the narrow cable tab into the narrow slot and the wide tab into the wide slot.

IMPORTANT: The adjuster tab must be pointing toward the front of the car after installation.

7. Connect the cruise control cable to the cruise control module by turning the cable clockwise.
8. Connect the cruise control module harness connector.
9. Connect the negative battery cable.