lemon-mirror:
Home >> Saturn >> 2003 >> L200 L4-2.2L VIN F >> Repair and Diagnosis >> Specifications >> Mechanical Specifications >> Engine >> System Specifications >> General Specifications >> Fastener Tightening Specifications

Fastener Tightening Specifications

Engine Torque Specifications

















Tightening Sequence

Cylinder Head Tightening Sequence:





Cylinder Head

IMPORTANT: Always use new cylinder head bolts.

- Install and tighten cylinder head bolts in sequence.
- Cylinder Head Bolts: 30 Nm (22 ft. lbs.) + 155 degrees

Intake Manifold
- Install intake manifold.
- Install intake manifold bolts and nuts. Tighten by starting from center bolt and working outward.
Intake Manifold-to-Cylinder Head Bolts: 10 Nm (89 inch lbs.)
Intake Manifold-to-Cylinder Head Nuts: 10 Nm (89 inch lbs.)





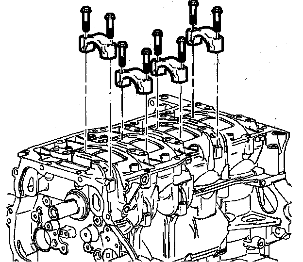
Camshaft Bearing Caps
- Install camshaft bearing caps in correct order and hand start camshaft cap bolts.





- The timing chain sprocket alignment notch on the camshaft should be oriented to the eleven o'clock position.
- Tighten camshaft bearing cap bolts in increments of three turns until they are seated.
- Camshaft Bearing Cap Bolts: 10 Nm (89 inch lbs.)





- Apply a 5 mm (13/64 inch) bead of Loctite Anaerobic Gasket Maker 518- to rear intake camshaft bearing cap.
- Install rear intake camshaft bearing cap bolts.
- Intake Camshaft Rear Bearing Cap Bolts: 25 Nm (18 ft. lbs.)





Crankshaft Bearing Cap

IMPORTANT: Always use new crankshaft bearing bolts.

- Install and tighten crankshaft bearing bolts using tightening sequence.
Crankshaft Bearing Cap Initial Torque (Lower Crankcase-to-Block Bolts): 20 Nm (15 ft. lbs.) + 70 degrees





Connecting Rod Bearing Cap

IMPORTANT: Ensure that connecting rod cap is properly oriented on connecting rod.

- Install connecting rod cap.

NOTICE: Always use new bolts.

- Install connecting rod bolts.
Connecting Rod Bolts: 25 Nm (18 ft. lbs.) + 100 degrees





Flywheel
- Install flywheel.
- Install new bolts.





- Holding flywheel with Flywheel Holding Tool J43653, tighten bolts evenly.
Flywheel Bolt: 53 Nm (39 ft. lbs.) + 25 degrees




Exhaust Manifold
- Install new exhaust manifold gasket.
- Install exhaust manifold to cylinder head.
- Install exhaust manifold to cylinder head retaining nuts. Tighten nuts starting from the center and working outward.
Exhaust Manifold-to-Cylinder Head Nuts: 12 Nm (9 ft. lbs.)