lemon-mirror:
Home >> Saturn >> 2003 >> L200 L4-2.2L VIN F >> Repair and Diagnosis >> Diagrams >> Exploded Views >> Intake Manifold

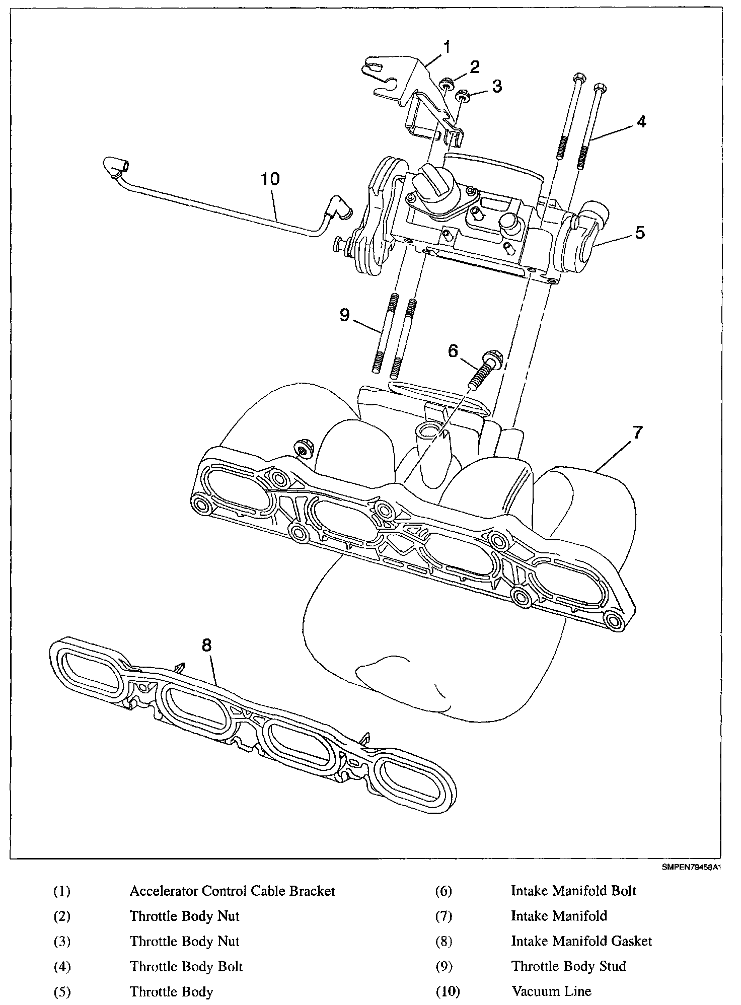
Intake Manifold

Intake Manifold And Components: