lemon-mirror:
Home >> Saturn >> 2003 >> L200 L4-2.2L VIN F >> Repair and Diagnosis >> Body and Frame >> Frame >> Subframe >> Front Subframe >> Service and Repair >> Frame Assembly

Frame Assembly

FRAME ASSEMBLY

^ TOOLS REQUIRED
- J43628 Frame Alignment Fixture
- KM-67 Bushing Remover/Installer
- KM-907 Bushing Remover/Installer
- SA9140E Torque Angle Gauge

REMOVAL





1. On vehicles equipped with L81 engines, remove rear exhaust manifold pipe heat shield.





2. Remove rear transaxle mount through bolt, and transaxle mount-to-frame bolt.





3. Fasten radiator to upper radiator support.

CAUTION: MAKE SURE VEHICLE IS PROPERLY SUPPORTED AND SQUARELY POSITIONED ON THE HOIST. TO HELP AVOID PERSONAL INJURY WHEN A VEHICLE IS ON A HOIST, PROVIDE ADDITIONAL SUPPORT FOR THE VEHICLE ON THE OPPOSITE END FROM WHICH COMPONENTS ARE BEING REMOVED.

4. Raise vehicle on hoist.
5. Remove front wheel and tire assemblies.





6. Remove right front lower splash shield.
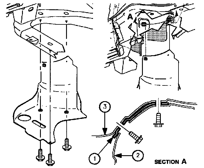
7. Remove left front wheel liner push pin from frame.





8. Disconnect rear 02 sensor connection, and remove harness from frame at attachment points.





9. On L61, remove 02 sensor clamp to underbody attachment nut.





10. Remove exhaust manifold pipe on L81 engines, and on L61 engines with manual transaxle. (L81 shown).





11. Remove front transaxle mount through bolt.





12. Remove remaining rear transaxle mount-to-frame bolts.
13. Remove rear transaxle mount.





14. Remove steering gear-to-frame bolts. Discard bolts and nuts.
15. On vehicles equipped with 1.61 engines and automatic transaxle, remove steering gear heat shield.
16. Using mechanics wire, secure the steering gear assembly to body of vehicle.





17. On L61 with manual transaxle, remove frame to shifter link pivot pin clip.





18. Remove A/C line to frame attachment clip at front of vehicle.





NOTICE: Hold ball stud from turning when removing nut. The boot can become torn and damaged if the ball stud turns.

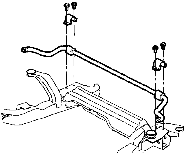
19. Remove stabilizer bar links from strut and discard nuts.





NOTICE: Do not attempt to separate joint using a wedge-type tool because seal may be damaged.

20. Remove the lower ball stud bolt and separate the ball stud from the steering knuckle assembly.





21. Remove the suspension support assemblies.





22. Remove suspension support cage nuts from the body. Discard cage nuts and support bolts, as new nuts and bolts must be used for assembly.





23. Using powertrain lifting table and the Frame Alignment Fixture J43628, support frame assembly.
24. Remove the remaining frame-to-body attachment fasteners.
25. Carefully lower frame assembly from vehicle.
26. Remove frame assembly cage nuts from body. Discard cage nuts and frame bolts as new nuts and bolts must be used for assembly.

DISASSEMBLY





1. Remove stabilizer clamp-to-frame bolts.
2. Remove stabilizer bar and clamps.





3. Remove control arm-to-frame assembly bolts and discard bolts.
4. Remove control arm from frame.





5. Using tools Bushing Remover/Installer KM-671, Bushing Remover/Installer KM-907 KM-907-11, KM-907-12 and KM-907-30, press out all damping bushings.

ASSEMBLY





1. Install all damping bushings using tool KM-671 along with KM-907-13 and KM-907-14.





2. Install the stabilizer bar to the frame assembly.
^ Stabilizer Bar Clamp-to-Frame Bolts: 20 Nm (15 ft. lbs.)





IMPORTANT: Use new bolts; torque retention of old bolts may not be sufficient.





3. Using Torque Angle Gauge SA9140E (or equivalent), install control arms to frame assembly using new bolts.
^ Control Arm-to-Frame: 90 Nm (66 ft. lbs.) + 75° to 90°

INSTALLATION

IMPORTANT: Be sure the frame alignment tool fully engages in all gauge holes.

1. Install new cage nuts into the body as torque retention of old nuts may not be sufficient.
2. Raise frame assembly to body.

IMPORTANT: Do not tighten fastener at this time.





3. Install new frame-to-body bolts.





4. Install new cage nuts into the body for the suspension supports, as torque retention of old nuts may not be sufficient.
5. Install suspension supports using new bolts and tighten all frame bolts using Torque Angle Gauge SA9140F. (or equivalent).
^ Suspension Support-to-Body Bolts: 90 Nm (66 ft. lbs.) + 45° to 60°





IMPORTANT: Use a new bolt and nut. Torque retention of old fasteners may not be sufficient.

6. Install lower control arm ball stud into steering knuckle. Hold the bolt stationary while turning the nut.
^ Lower Control Arm-to-Steering Knuckle: 100 Nm (75 ft. lbs.)





7. On vehicles equipped with L61 and manual transaxle, install frame to shifter link pivot pin clip.





8. Install steering gear-to-frame using new bolts and nuts and tighten using Torque Angle Gauge SA9140E (or equivalent).
^ Steering Gear-to-Frame: 45 Nm (35 ft. lbs.) + 90°
9. Vehicles equipped with an L61 engine and automatic transaxle, install steering gear heat shield.
^ Steering Gear Heat Shield-to-Frame: 4 Nm (35 inch lbs.)





NOTICE: Hold ball stud from turning when tightening nut. The rubber boot can become torn and damaged if the ball stud turns.

10. Using new nuts, install stabilizer bar link-to-strut assembly.
^ Stabilizer Bar Link-to-Strut: 65 Nm (48 ft. lbs.)
11. Inspect rubber boots for damage and replace if damaged.





12. Install rear transaxle mount.
13. Install two rear transaxle mount to frame bolts.
^ Rear Transaxle Mount-to-Frame Bolts: 60 Nm (44 ft. lbs.)





14. Install front transaxle mount through bolt.
^ Front Transaxle Mount Through Bolt: 55 Nm (41 ft. lbs.)





15. Install exhaust manifold pipe on L81 engines and on L61 engines with manual transaxles. (L81 shown).
16. Tighten exhaust manifold pipe to exhaust manifold.
^ Exhaust Manifold Pipe-to-Exhaust Manifold Nuts: 30 Nm (22 ft. lbs.)
17. Tighten exhaust manifold pipe to exhaust pipe.
^ Exhaust Manifold Pipe-to-Pipe Bolts: 20 Nm (15 ft. lbs.)





18. On L61, install 02 sensor clamp to underbody attachment nut.
^ 02 Sensor Clip-to-Underbody Attachment Nut: 4 Nm (35 inch lbs.)





19. Reattach A/C line clip to front of frame assembly.





20. Install right front lower splash shield.
^ Right Splash Shield-to-Body: 5 Nm (44 inch lbs.)
21. Install left front wheel liner push pin to frame.





NOTICE: Before installing wheels, remove rust or corrosion from wheel mounting surfaces and brake rotors. Failure to do so can cause wheel bolts to loosen in service.

22. Connect 02 sensor electrical connector and reattach harness to frame.
23. Position wheel onto hub.
24. Install wheel bolts and tighten in a crisscross pattern.
24.1. Hand tighten all five wheel bolts.
24.2. Use a torque wrench to tighten wheel bolts using a crisscross pattern.
^ Wheel Bolts (Initial Torque): 63 Nm (46 ft. lbs.)
24.3. Use a torque wrench to final tighten wheel bolts using a crisscross pattern.
^ Wheel Bolts (Final Torque): 125 Nm (92 ft. lbs.)
25. Lower vehicle from hoist.





26. Install remaining rear transaxle mount to frame bolt.
^ Rear Transaxle Mount-to-Frame Bolts: 60 Nm (44 ft. lbs.)
27. Install rear transaxle mount through bolt and heat shield (on vehicle with 4-cylinders automatic).
^ Rear Transaxle Mount Through Bolt: 90 Nm (66 ft. lbs.)





28. On vehicles equipped with L81 engines, install exhaust manifold pipe heat shield.
^ Exhaust Manifold Pipe Heat Shield Bolts (L81): 8 Nm (71 inch lbs.)
29. Perform vehicle alignment.