lemon-mirror:
Home >> Saturn >> 2003 >> ION L4-2.2L VIN F >> Repair and Diagnosis >> Powertrain Management >> Computers and Control Systems >> Engine Control Module >> Technical Service Bulletins >> All Technical Service Bulletins >> Engine/Transmission Control Module - Ground Change

Engine/Transmission Control Module - Ground Change

File in Section: 06 - Engine/Propulsion System

Bulletin No.: 03-06-03-005A

Issue Date: April, 2004

Subject:
Engine Control Module (ECM)/Transmission Control Module (TCM)/Ignition Module Ground Location Change

Models Affected:
2003 Saturn ION Vehicles

Attention:
Fixed Operations Manager and Technician

This bulletin is being revised to update information regarding a new ground location.

Please discard Corporate Bulletin Number 03-06-03-005 (Section 06 - Engine).

Purpose:

The purpose of this bulletin is to inform Saturn Retailers of changes to the engine ground location. For 2003 Saturn ION vehicles, there are three possible locations for the ECM/TCM/Ignition module ground location:

Vehicles Built Prior To VIN 3Z118970

Vehicles built prior to VIN 3Z118970 utilize the lower stud on the intake cam end cover plate. Refer to the Service Procedure in this bulletin for instructions to relocate the ground to the rear cam cover. While it is not necessary to relocate this ground terminal, it is suggested that whenever the intake cam cover stud is being serviced, the ring terminal ground connection be moved to the updated location.

Vehicles Built Between and Including VINs 3Z118970 and 3Z176922

Vehicles built between and including VINs 3Z118970 and 3Z176922 utilize the ground stud toward the rear of the cam cover.

Vehicles Built After and Including VIN 3Z176923





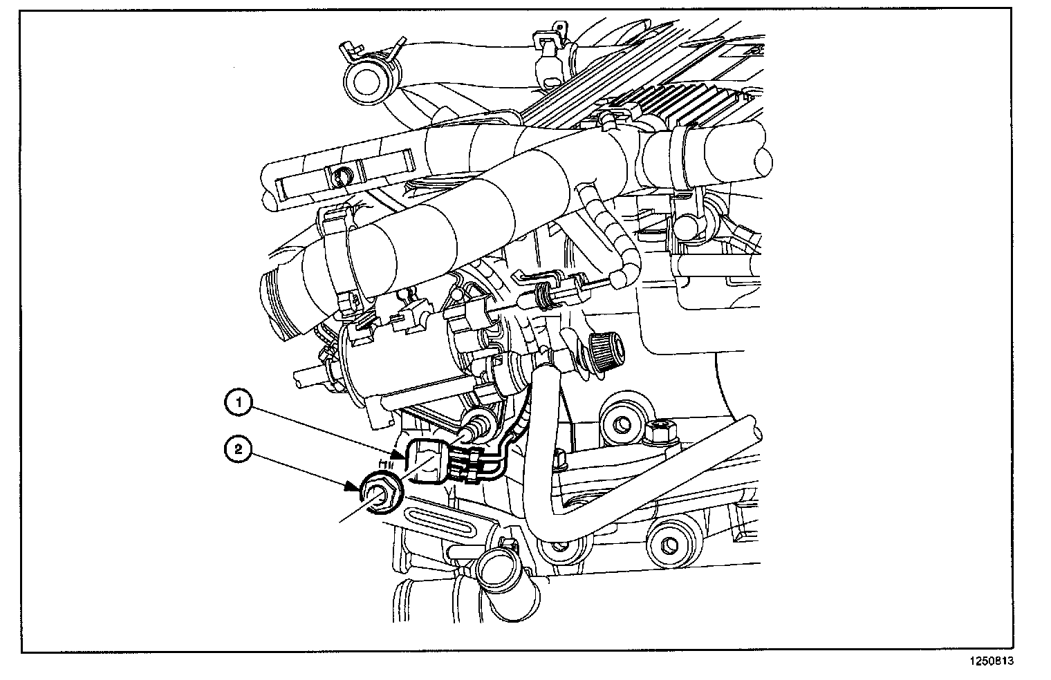
Vehicles built after and including VIN breakpoint 3Z176923 have the ground located at G105. The G105 ground placement is located in the lower left front side of the engine, above the starter. Refer to the illustration for location.

Service Procedure:

Important:
This procedure should be performed only on vehicles built prior to VIN 3Z118970.

REMOVAL





1. Remove nut from intake cam end cover plate lower stud.

Important:
To avoid loosening end cover plate and/or damaging wiring harness, hold end cover stud with suitable 13 mm (0.5 in) thin wrench such as Saturn special tool SA9401C (Generator Output Stud Wrench).

2. Remove ground harness ring terminal and discard nut removed in Step 1.

Tighten

Tighten the end cover stud to 25 N.m (18 ft-lb)





INSTALLATION

1. Remove the ground strap retaining stud from the camshaft cover.

2. Install the ECM/TCM/ignition module ground harness ring terminal ON TOP of the braided ground strap.

3. Install the ground strap retaining stud to the camshaft cover to secure the ground harness ring terminal and braided ground strap.

Tighten

Tighten the ground strap stud to 10 N.m (89 in-lb)





Disclaimer