lemon-mirror:
Home >> Saturn >> 2003 >> ION L4-2.2L VIN F >> Repair and Diagnosis >> Powertrain Management >> Computers and Control Systems >> Body Control Module >> Service and Repair

Body Control Module: Service and Repair



BODY CONTROL MODULE REPLACEMENT

REMOVAL PROCEDURE
1. Disconnect the negative battery cable.
2. Remove the front floor console.




3. Remove the wiring harness rosebud from the right center support bracket.




4. Pull back the carpet at the bottom of the right center support bracket and remove the lower nuts.
5. Remove the center support bracket nuts and remove the bracket.




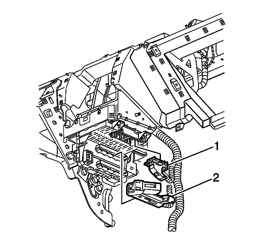
6. Disconnect the small body harness connector (1) from the body control module (BCM).
7. Disconnect the large body harness connector (2) from the BCM.




8. Disconnect the small instrument panel (I/P) wiring harness connector (1) from the BCM.
9. Disconnect the large I/P wiring harness connector (2) from the BCM.
10. If equipped with Onstar, disconnect the OnStar connector.




11. Remove the BCM nuts and remove the BCM from the vehicle.

INSTALLATION PROCEDURE




1. Install the BCM to the vehicle and install the retaining nuts.

NOTE: Refer to Fastener Notice in Service Precautions.

Tighten the nuts to 10 N.m (88 lb in).




2. Connect large I/P wiring harness connector (2) to the BCM.
3. Connect small I/P wiring harness connector (1) to the BCM.




4. Connect the large body wiring harness connector (2) to the BCM.
5. Connect the small body wiring harness connector (1) to the BCM.
6. If equipped with Onstar, connect the OnStar connector.




7. Pull back the carpet and position the center support bracket into position.
8. Install the center support bracket nuts.

Tighten the nuts to 10 N.m (88 lb in).




9. Install the wiring harness rosebud to the center support bracket.
10. Install the front floor console.
11. Connect the negative battery cable.
12. Program a new or a remanufactured BCM. Refer to Body Control Module (BCM) Programming/RPO Configuration. Programming and Relearning