lemon-mirror:
Home >> Saturn >> 2002 >> VUE V6-3.0L VIN B >> Repair and Diagnosis >> Powertrain Management >> Diagrams >> Electrical Diagrams >> Engine Controls >> Engine Control Module (ECM)

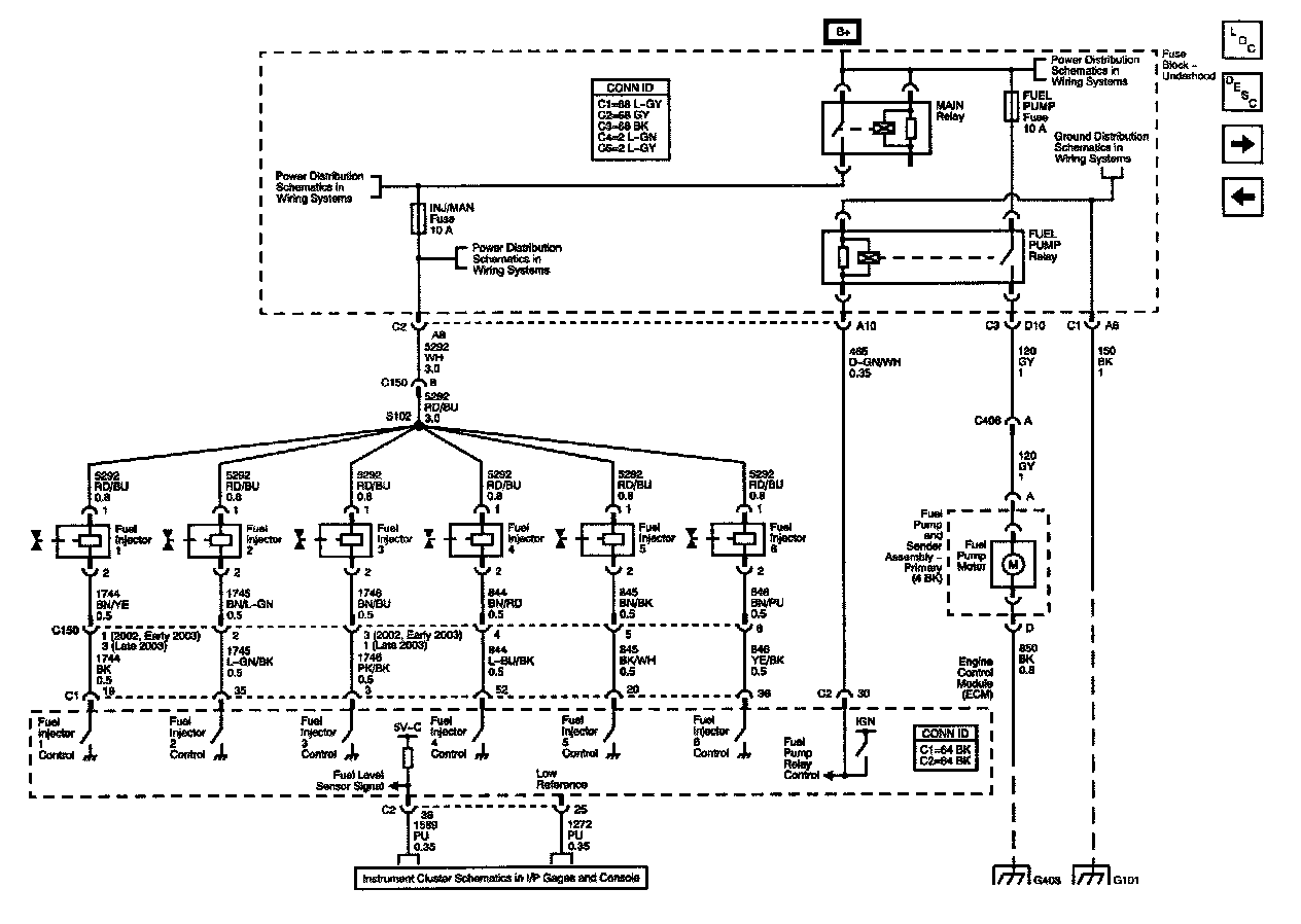
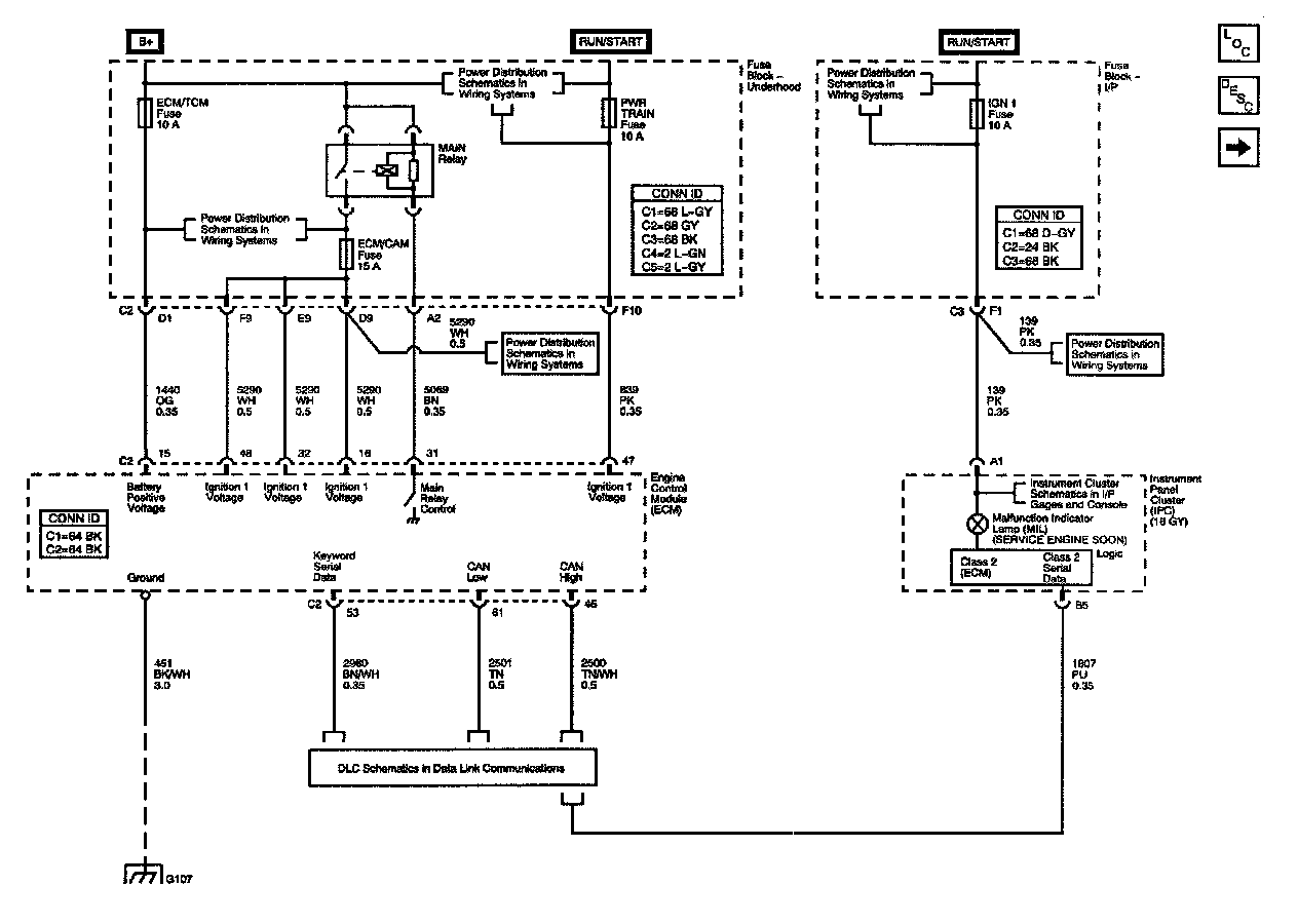
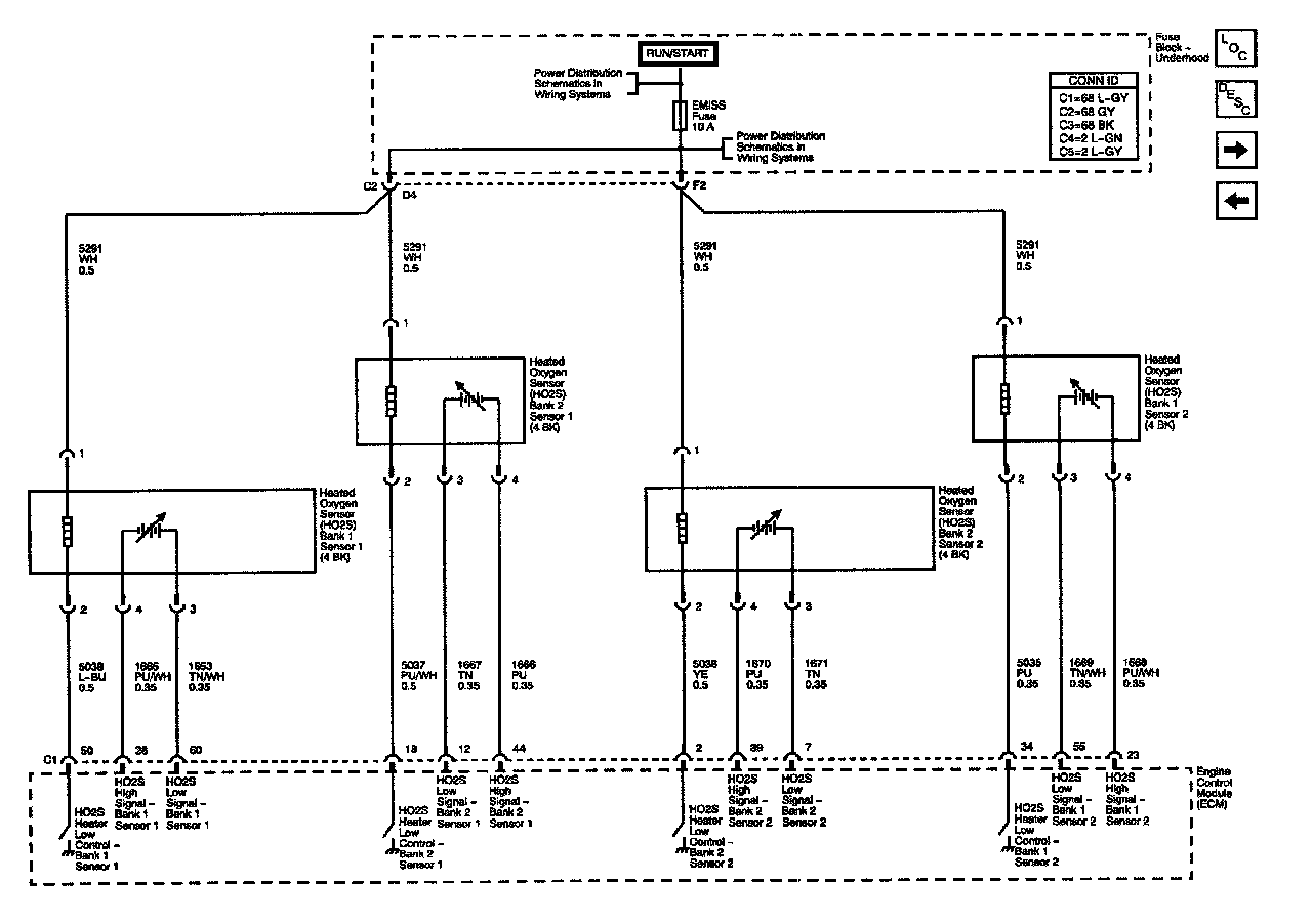
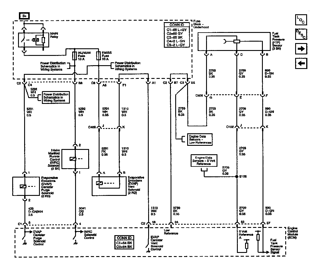
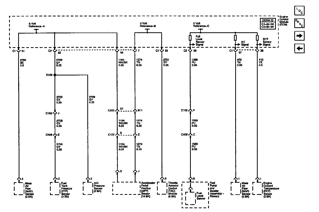
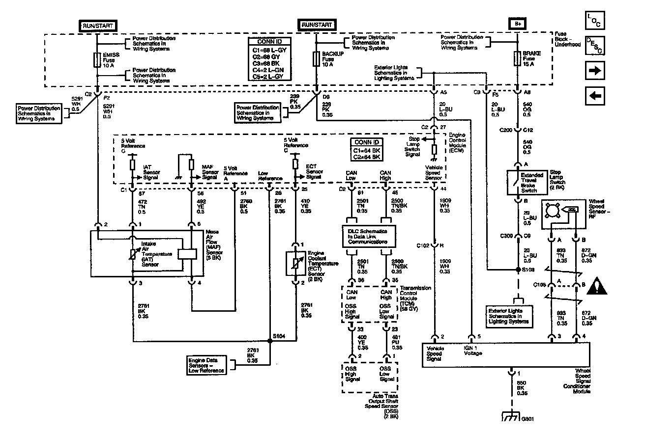
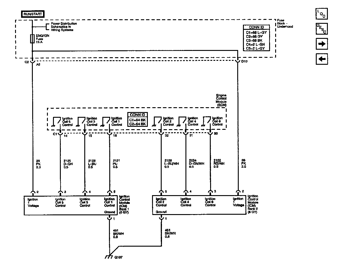
Engine Control Module (ECM)