lemon-mirror:
Home >> Saturn >> 2001 >> L100 L4-2.2L VIN F >> Repair and Diagnosis >> Powertrain Management >> Ignition System >> Ignition Control Module >> Service and Repair >> Ignition Coil Housing

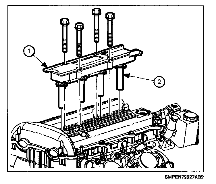
Ignition Coil Housing

REMOVAL




1. Ignition Off.
2. Disconnect EI module harness connector.
3. Remove attachment screws from EI module and remove EI module.




4. Remove ignition coil housing attachment bolts and remove ignition coil housing.
(1) Ignition Coil Housing
(2) Spark Plug Boot

INSTALLATION

IMPORTANT: Make sure interconnect is lined up and interconnect seal is in place before installing attachment screws.




1. Apply dielectric compound to spark plug boots and make sure no corrosion is present.
2. Install ignition coil housing to cam cover and attachment bolts.

Torque:
Ignition Coil Housing Bolts: 10 N.m (89 in-lbs)





3. Install EI module and attachment screws.

Torque:
EI Module Screws: 1.5 N.m (13 in-lbs)


4. Connect EI module harness connector. Push in connector until a click is heard and pull back to confirm a positive engagement.