lemon-mirror:
Home >> Saturn >> 2001 >> L100 L4-2.2L VIN F >> Repair and Diagnosis >> Powertrain Management >> Computers and Control Systems >> Relays and Modules - Computers and Control Systems >> Engine Control Module >> Service and Repair >> Powertrain Control Module (PCM) Replacement

Powertrain Control Module (PCM) Replacement

REMOVAL




1. Record preset radio stations.
2. Ignition Off.
3. Disconnect negative battery cable.
4. Remove rear hood seal.




5. Raise right side front corner of air inlet grill in order to access the four attachment nuts for the PCM J1 and J2 harness connector boot.
6. Remove PCM J1 and J2 harness connector boot nuts and move boot far enough away to access PCM harness connectors.
7. Disconnect PCM J1 and J2 harness connectors by unbolting them from the PCM. Pull harness into the engine compartment.




8. Open glove compartment door and remove glove compartment lamp assembly by pulling on lamp plunger.
9. Disconnect glove compartment lamp harness connector and remove glove compartment lamp.
10. Remove glove compartment door attachment screws and glove compartment door.




11. Remove glove compartment attachment bolts.
12. Slowly remove glove compartment by tilting it downward to expose BCM residing on top of glove compartment.




13. Remove BCM from glove compartment by sliding it out of its attachment slots and remove glove compartment.




14. Remove right side lower I/P closeout panel (hush panel) attachment fasteners and remove right side lower I/P closeout panel (hush panel).
15. Remove right side lower heater duct attachment fastener and remove right side lower heater duct assembly.




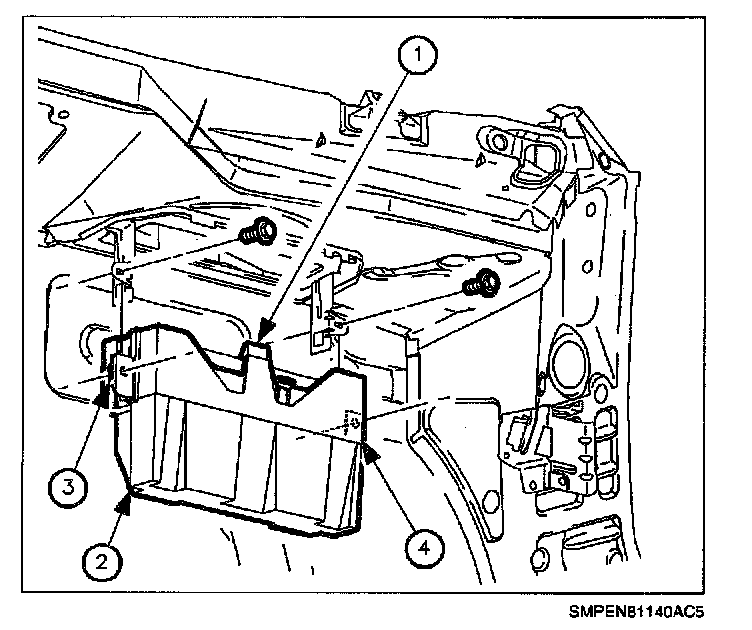
16. Remove PCM bracket attachment screws.
(1) PCM
(2) PCM Bracket
(3) Locking Tab (left side)
(4) Locking Tab (right side)
17. Depress tabs on each side of PCM bracket using a 90° pick tool to release it from I/P bracket.
18. Remove PCM from PCM bracket.

INSTALLATION




1. Install PCM into PCM bracket.
2. Slide PCM with PCM bracket into I/P bracket.
(1) PCM
(2) PCM Bracket
(3) Locking Tab (left side)
(4) Locking Tab (right side)
3. Install PCM bracket attachment screws.

Torque:
PCM Bracket-to-I/P Bracket: 2 N.m (18 in-lbs)





4. Install right side lower heater duct and attachment fastener.
5. Install right side lower I/P closeout panel (hush panel) and attachment fasteners.




6. Install BCM to glove compartment by sliding it into its attachment slots
7. Feed glove compartment lamp harness through glove compartment lamp hole.




8. Install glove compartment and attachment bolts.

Torque:
Glove Compartment to I/P Fasteners: 2.5 N.m (22 in-lbs)





9. Connect glove compartment lamp harness connector and snap glove compartment lamp into glove compartment.




10. Install glove compartment door and attachment screws.

Torque:
Glove Compartment Door-to-Glove Compartment: 2.5 N.m (22 in-lbs)


11. Connect PCM J1 and J2 harness connectors by bolting them to the PCM.

Torque:
PCM Harness Connectors-to-PCM: 8 N.m (71 in-lbs)


12. Install PCM J1 and J2 harness connector boots.

Torque:
PCM Harness Connector Boot: 2.5 N.m (22 in-lbs)





13. Make sure air inlet grill is positioned correctly and harness grommet is positioned in the front of dash cutout.




14. Install rear hood seal.
15. Connect negative battery cable.

Torque:
Battery Terminal Bolts: 17 N.m (13 ft-lbs)


IMPORTANT: If a new PCM is being installed, it MUST be reprogrammed with new software and calibrations. (Refer to "Service Stall System (SSS) User Guide" for reprogramming procedures.) The PCM may be damaged if the reprogramming process is interrupted. Make sure the Scan tool is connected securely to the DLC and the vehicle battery has sufficient charge.

Make sure the original PCM has the correct VIN and vehicle options.

16. Reprogram PCM. Programming and Relearning

IMPORTANT: The new PCM must learn the passlock password from the BCM. When the PCM reprogram is completed, use the SSS to perform the "Passlock Relearn Procedure."

17. Perform the "Passlock Relearn Procedure" using the SSS. Programming and Relearning
18. Ignition Off for 10 seconds, ignition On.

IMPORTANT: Following PCM reprogramming, the PCM will have to learn the crankshaft notch variation for misfire diagnostics.

19. Perform the crankshaft relearn procedure. (Refer to "Crankshaft Relearn Procedure" under DTC P1336 for procedure.)
20. Verify no DTCs exist. (If one exists, refer to the specific DTC diagnostic.)
21. Reset clock and preset radio stations.