lemon-mirror:
Home >> Saturn >> 2001 >> L100 L4-2.2L VIN F >> Repair and Diagnosis >> Powertrain Management >> Computers and Control Systems >> Engine Control Module >> Testing and Inspection >> Initial Inspection and Diagnostic Overview >> Chart 1

Chart 1

Diagnostic Chart Part 1:




Schematic:




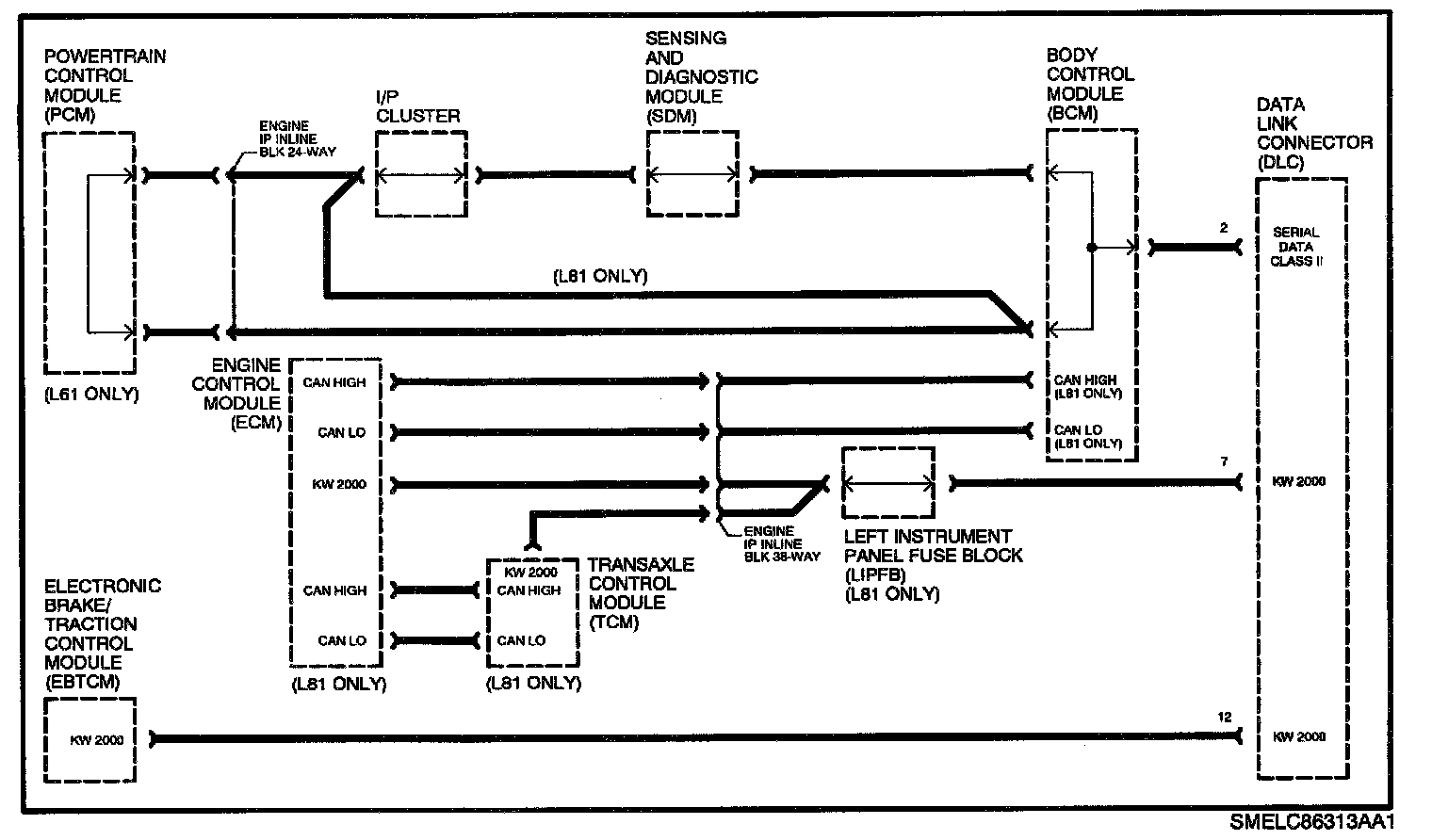
The vehicle on-board diagnostic system check should always be the starting point when diagnosing any powertrain, chassis, or any other electrical sub-system. This is important due to the amount of systems that are controlled by an electronic module. Also, associated with the increased functions of these modules comes more on-board diagnostics resulting in diagnostic trouble codes (DTCs). Many controllers share the same power or ground circuits as other sub-systems, therefore there may be a DTC in a controller that appears unrelated to the customer complaint. Checking for DTCs is also important since all DTCs don't result in a warning telltale being illuminated.

Regardless of the customer complaint/symptom, it is important to establish serial data communications with each controller, read codes from each controller, and record the information gathered. It is important to start with the BCM because:
1. The Body Control Module (BCM) is the closest module to the data link connector (DLC).
2. The BCM is the data link master and is capable of detecting when another module on the Class II link or the CAN link is missing. When the BCM detects a controller missing, a U-Type DTC will be stored in the BCM.

When communications cannot be established with the BCM, communications with the SDM should be the next step. This will help determine if a serial data link fault exists or if an individual module is not capable of communicating.