lemon-mirror:
Home >> Saturn >> 2001 >> L100 L4-2.2L VIN F >> Repair and Diagnosis >> Diagrams >> Exploded Views >> Engine >> Engine Block and Components

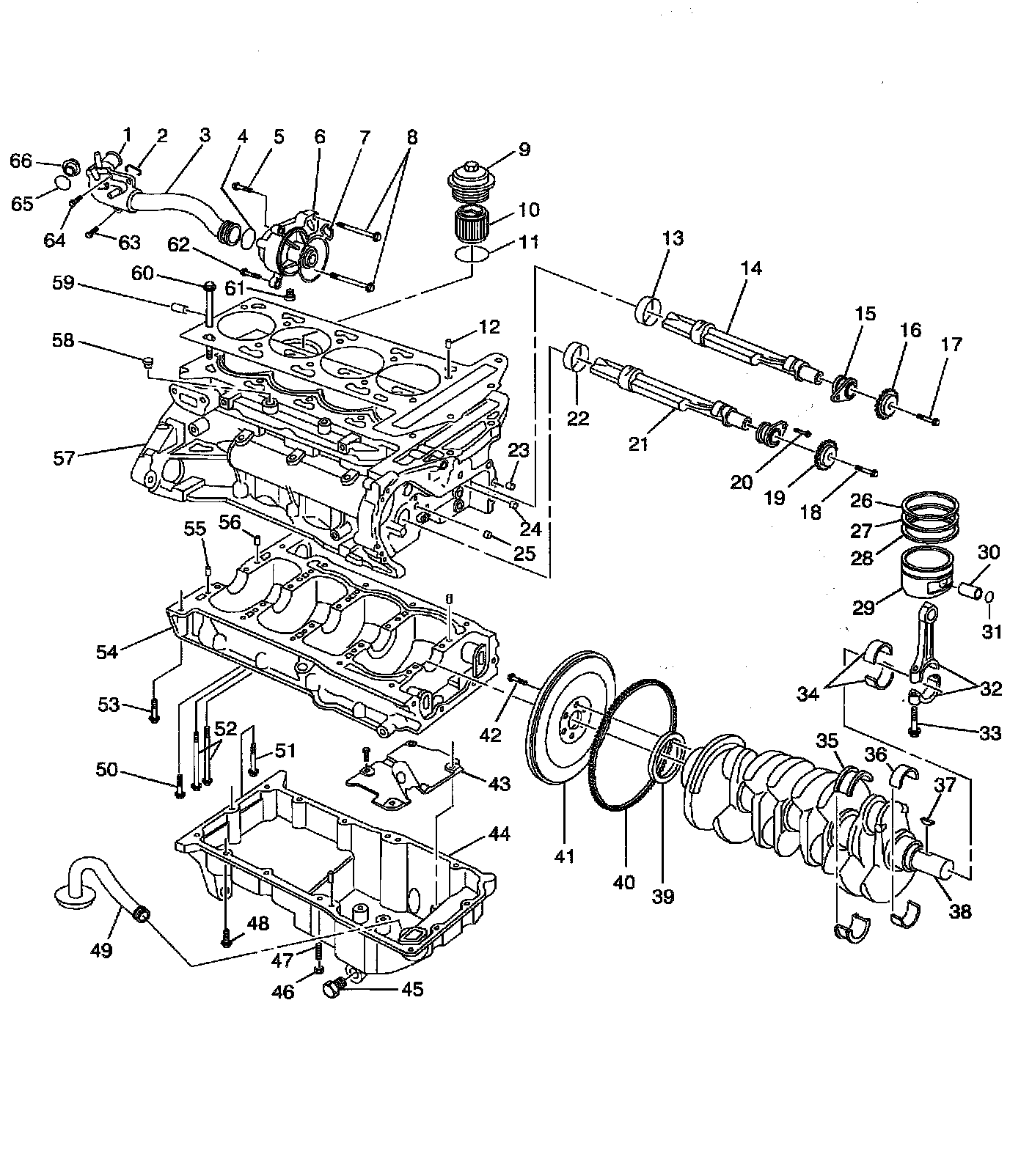
Engine Block and Components

ENGINE BLOCK AND COMPONENTS





Part 1 of 2





Part 2 of 2