lemon-mirror:
Home >> Saturn >> 2001 >> L100 L4-2.2L VIN F >> Repair and Diagnosis >> Diagrams >> Components >> Miscellaneous Components >> Recirculation Doors

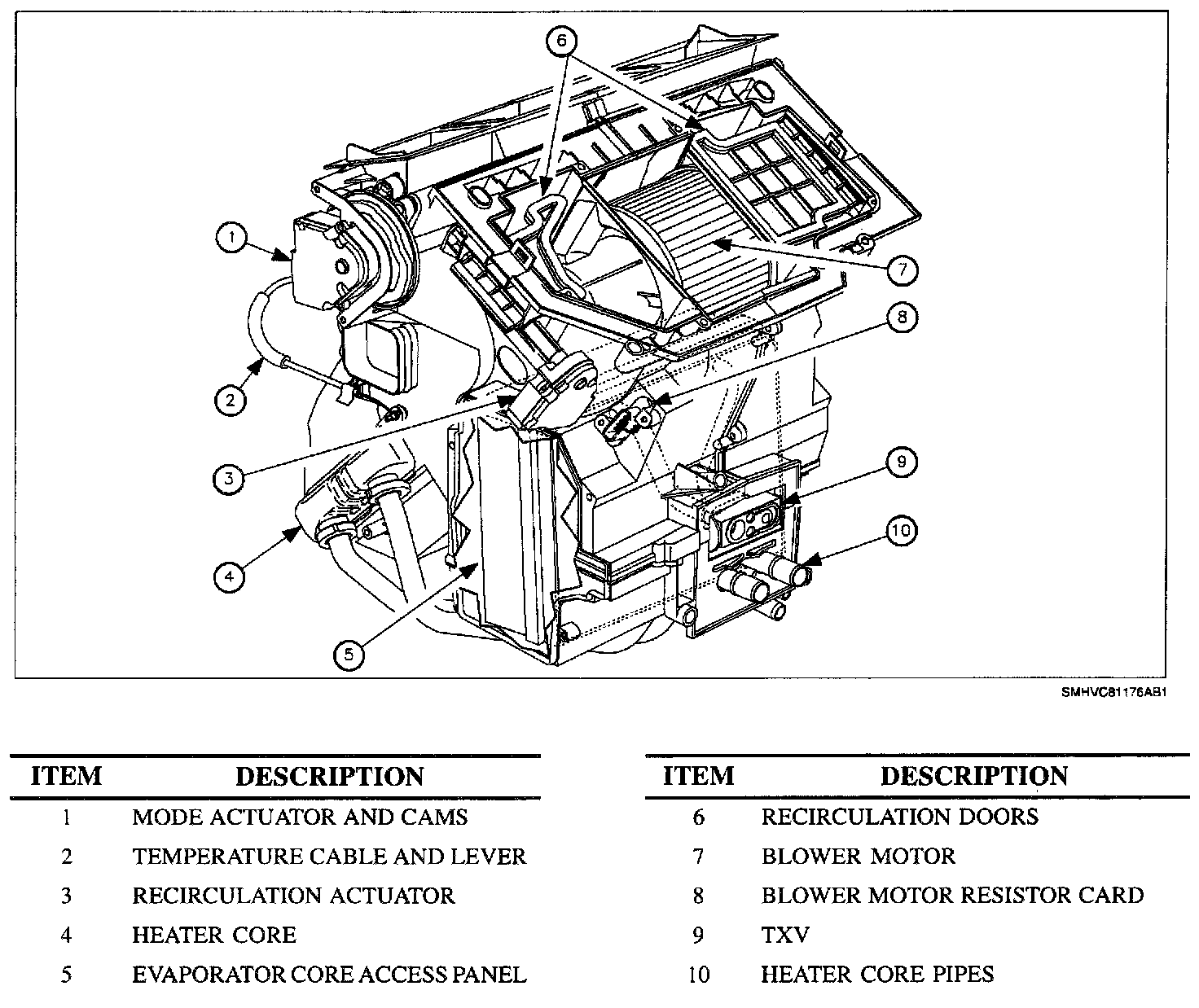
Recirculation Doors

Locations View: