lemon-mirror:
Home >> Saturn >> 2001 >> L100 L4-2.2L VIN F >> Repair and Diagnosis >> Body and Frame >> Frame >> Subframe >> Service and Repair >> Procedures >> Removal

Removal

^ TOOLS REQUIRED
- J43628 Frame Alignment Fixture
- KM-671 Bushing Remover/Installer
- KM-907 Bushing Remover/Installer
- SA9140E Torque Angle Gauge

REMOVAL





1. On vehicles equipped with L81 engines, remove rear exhaust manifold pipe heat shield.





2. Remove rear transaxle mount through bolt, and transaxle mount-to-frame bolt.





3. Fasten radiator to upper radiator support.

CAUTION: MAKE SURE VEHICLE IS PROPERLY SUPPORTED AND SQUARELY POSITIONED ON THE HOIST. TO HELP AVOID PERSONAL INJURY WHEN A VEHICLE IS ON A HOIST, PROVIDE ADDITIONAL SUPPORT FOR THE VEHICLE ON THE OPPOSITE END FROM WHICH COMPONENTS ARE BEING REMOVED.

4. Raise vehicle on hoist.
5. Remove front wheel and tire assemblies.





6. Remove right front lower splash shield.
7. Remove left front wheel liner push pin from frame.





8. Disconnect rear O2 sensor connection, and remove harness from frame at attachment points.





9. On L61, remove O2 sensor clamp to underbody attachment nut.





10. Remove exhaust manifold pipe on L81 engines, and on L61 engines with manual transaxle. (L81 shown)





11. Remove front transaxle mount through bolt.





12. Remove remaining rear transaxle mount-to-frame bolts.
13. Remove rear transaxle mount.





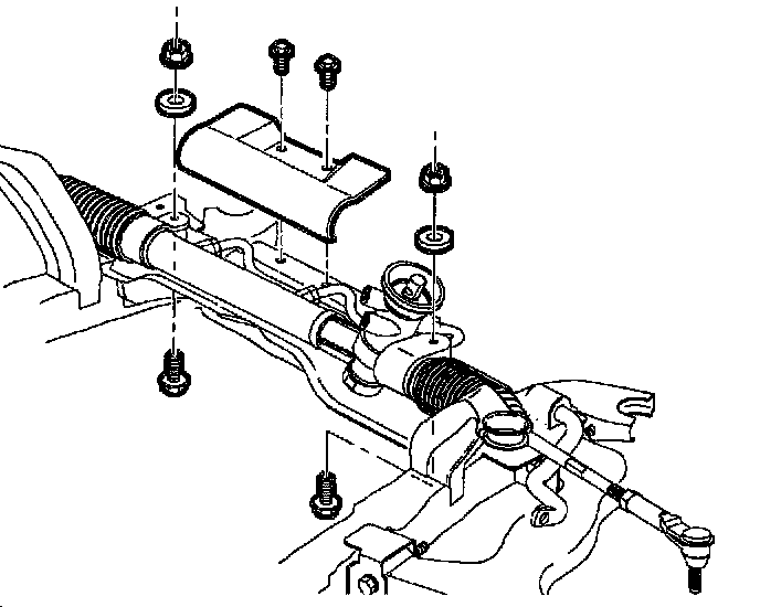
14. Remove steering gear-to-frame bolts. Discard bolts and nuts.
15. On vehicles equipped with L61 engines and automatic transaxle, remove steering gear heat shield.
16. Using mechanics wire, secure the steering gear assembly to body of vehicle.





17. On L61 with manual transaxle, remove cradle to shifter link pivot pin clip.





18. Remove A/C line to frame attachment clip at front of vehicle.

NOTICE: Hold ball stud from turning when removing nut. The boot can become torn and damaged if the ball stud turns.





19. Remove stabilizer bar links from strut and discard nuts.

NOTICE: Do not attempt to separate joint using a wedge-type tool because seal may be damaged.





20. Remove the lower ball stud bolt and separate the ball stud from the steering knuckle assembly,





21. Remove the suspension support assemblies.
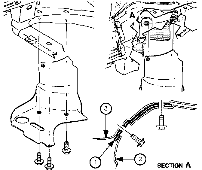
22. Remove suspension support cage nuts from the body. Discard cage nuts and support bolts, as new nuts and bolts must be used for assembly.





23. Using powertrain lifting table and the Frame Alignment Fixture J43628, support frame assembly.





24. Remove the remaining frame-to-body attachment fasteners.
25. Carefully lower frame assembly from vehicle.
26. Remove frame assembly cage nuts from body. Discard cage nuts and frame bolts as new nuts and bolts must be used for assembly.