lemon-mirror:
Home >> Saturn >> 2000 >> SW2 L4-1.9L DOHC VIN 7 >> Repair and Diagnosis >> Wiper and Washer Systems >> Wiper Control Module >> Service and Repair >> Wiper Module and Motor Assembly

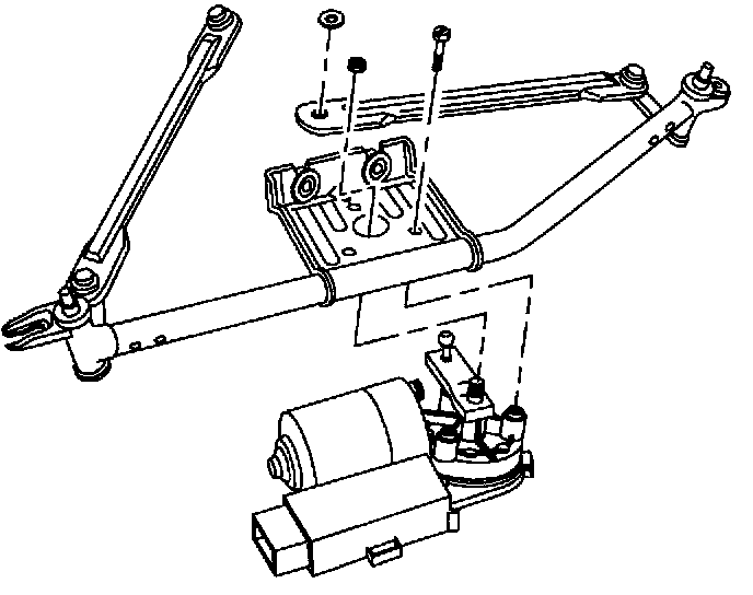
Wiper Module and Motor Assembly

REMOVAL




1. Remove wiper arm finish cap by pulling upward on cap at pivot location.
2. Remove wiper arm fastener.
3. Lift wiper arm away from windshield and remove wiper arm from pivot shaft.




4. Remove air inlet.
5. Disconnect windshield washer hose from inlet grille.




6. Remove instrument panel top cover.




7. Loosen A/C defroster duct and move to the right to expose wiper module fasteners.




8. Position wiper motor crank arm at the 12 o'clock position to ease removal of the wiper module.

NOTE: Use care when removing wiper module from cowl to avoid pivots contacting windshield and to keep from scratching windshield.




9. Remove wiper module fasteners, partially remove wiper module and disconnect wiring from motor and module frame. Remove wiper module.




10. Place wiper module in a vise or on a secured surface. Pry between the frame assembly and the wiper links to free the wiper links from the crank arm.




11. Remove wiper motor fasteners and remove wiper motor from wiper module.

INSTALLATION




1. Install wiper motor onto wiper module.

Torque: 11 N.m (8 ft-lbs)

IMPORTANT: Be certain the new wiper motor crank arm is at the 12 o'clock position just as the old crank arm. If the wiper motor crank arm is not at 12 o'clock position, installation in the cowl will be difficult.




2. Press the transmission links onto the wiper motor crank arm firmly by hand. Ensure that the position of the transmission links are not bottomed on the crank arm ball.




3. Partially install wiper module assembly, connect wiring to wiper motor and to module frame.
4. Install wiper module assembly with fasteners.
5. Torque outboard bolt first, inboard second, nuts last.

Torque:
Bolts: 18 N.m (13 ft-lbs)
Nuts: 8 N.m (71 in-lbs)

6. Turn wiper switch On momentarily. Once wiper switch is turned Off, wiper mechanism should be in PARK position with wiper motor crank arm in 9 o'clock position.




7. Connect washer hose to washer nozzle.
8. Install cowl trim panel.
9. Install wiper arms and fasteners.

Torque: 30 N.m (22 ft-lbs)




10. Install A/C defroster duct assembly.




11. Install instrument panel top cover.