lemon-mirror:
Home >> Saturn >> 2000 >> SW2 L4-1.9L DOHC VIN 7 >> Repair and Diagnosis >> Powertrain Management >> Computers and Control Systems >> Transmission Position Sensor/Switch >> Service and Repair

Transmission Position Sensor/Switch: Service and Repair

The transaxle range switch contains four switches that ground four different circuits. These circuits are 771 (switch A), 772 (switch B), 773 (switch C) and 776 (switch D). (The switch also contains the backup lamp switch and the neutral/start switch.)

The transaxle monitors these four circuits and determines what gear the operator has selected by the combinations of opens and grounds. Each combination indicates a specific selection in the manual shift quadrant (PRND32).

Refer to chart for transaxle range switch for further information.

Removal




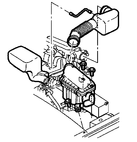
1. Remove air induction system.
2. Disconnect electrical connectors from selector switch.
3. Disconnect shifter cable from control lever.
4. Place control lever in the full clockwise position.

NOTE: If manual shift shaft is rotated excessively, internal damage to the transaxle range switch may occur.




5. Prevent the manual shift shaft from rotating by holding control lever while removing retaining nut from manual shift shaft. Remove control lever.
6. Remove two switch-to-transaxle case bolts and remove switch.

Installation




1. Install switch to transaxle and install switch to case bolts. Do not tighten bolts at this time.
2. Install control lever-to-manual shift shaft.

NOTE: If manual shift shaft is rotated excessively, internal damage to the transaxle range switch may occur.

3. Prevent the manual shift shaft from rotating by holding control lever while installing retaining nut.

Torque: 12 N.m (106 in-lbs)

4. Install cable to control lever and adjust cable.
5. Before tightening transaxle range switch-to-case bolts, proceed to Adjustment procedure.

Adjustment

IMPORTANT: While adjusting the transaxle range switch, always rotate the switch towards the engine to achieve continuity. A diagnostic trouble code P0706 could result if this procedure is not followed.




1. Place transaxle in D (Drive). Use ohmmeter or continuity tester to check for continuity across terminals on selector switch. Rotate the transaxle range switch from the left fender towards the engine until continuity is achieved.
2. Tighten switch to case bolts. After switch-to-case bolts have been tightened, check continuity.

Torque: 14 N.m (124 in-lbs)

IMPORTANT: Digital Volt/ohm Meter (DVM) with audible continuity test is preferred. Do not stick probe in transaxle range switch terminal hole; use male terminals on transaxle range switch or faulty readings could occur.

3. Connect electrical connectors.

IMPORTANT: While adjusting the transaxle range switch, always rotate the switch towards the engine to achieve continuity. A DTC P0706 could result if this procedure is not followed.




4. Install air induction system.

Torque: 10 N.m (89 in-lbs)