lemon-mirror:
Home >> Saturn >> 2000 >> LS L4-2.2L VIN F >> Repair and Diagnosis >> Powertrain Management >> Ignition System >> Knock Sensor >> Service and Repair

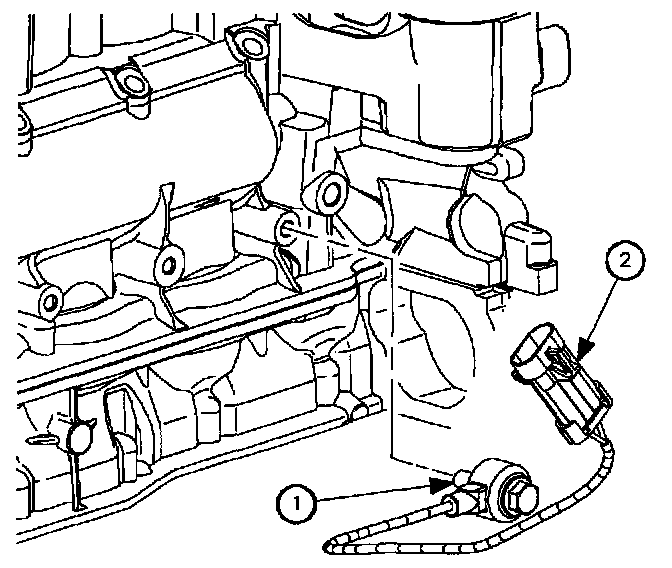
Knock Sensor: Service and Repair




REMOVAL
1. Disconnect knock sensor inline electrical connector.
2. Remove knock sensor.

INSTALLATION

IMPORTANT: Rotate pigtail 90 degrees counter clockwise from vertical before securing fastener.

1. Install knock sensor.

Torque: 25 N.m (19 ft-lbs)

2. Connect electrical connector to the knock sensor. Push in connector until a click is heard and pull back to confirm a positive engagement.