lemon-mirror:
Home >> Saturn >> 2000 >> LS L4-2.2L VIN F >> Repair and Diagnosis >> Maintenance >> Filters >> Oil Filter >> Locations

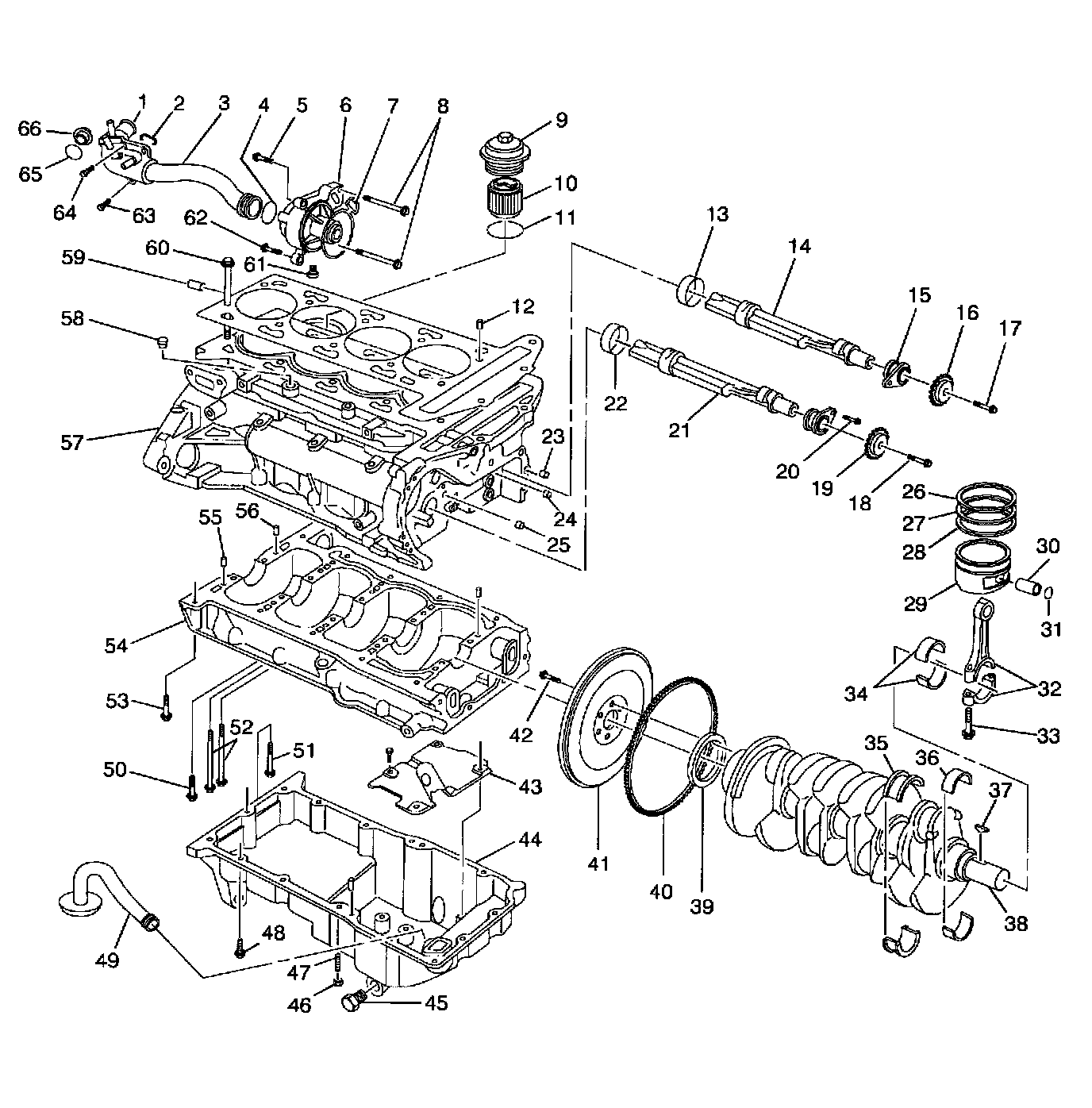
Oil Filter: Locations