lemon-mirror:
Home >> Saturn >> 2000 >> LS L4-2.2L VIN F >> Repair and Diagnosis >> Body and Frame >> Frame >> Cross-Member >> Service and Repair

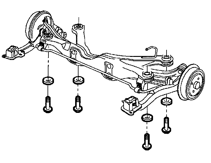
Cross-Member: Service and Repair

- TOOLS REQUIRED
- SA9140E-Torque Angle Gauge

REMOVAL

CAUTION: MAKE SURE VEHICLE IS PROPERLY SUPPORTED AND SQUARELY POSITIONED ON HOIST. TO HELP AVOID PERSONAL INJURY, PROVIDE SUPPORT TO THE OPPOSITE END OF THE VEHICLE THAT COMPONENTS WILL BE REMOVED FROM.





1. Raise vehicle on hoist.
2. Remove rear wheel and tire assemblies.
3. Remove rear exhaust system from resonator back.





4. Remove heat shield form rear suspension support.





5. Remove upper and lower control arm to rear axle control arm attachment bolts, discard bolts and nuts.





6. Remove both stabilizer bar links from rear axle control arms.

CAUTION: FAILURE TO SUPPORT THE REAR SUSPENSION SUPPORT ASSEMBLY CAN CAUSE SUSPENSION SUPPORT TO DROP TO THE GROUND WHEN MOUNTING BOLTS ARE REMOVED.

CAUTION: SUPPORT THE FRONT OF THE VEHICLE TO ENSURE THAT THE VEHICLE WILL NOT BECOME UNBALANCED AND TIP FORWARD, OFF THE HOIST, ONCE THE REAR SUSPENSION SUPPORT IS REMOVED (DUE TO DECREASED PROPORTION OF REAR VEHICLE MASS). FAILURE TO SUPPORT FRONT OF VEHICLE COULD CAUSE VEHICLE TO FALL OFF THE HOIST.





7. Support rear suspension support with a suitable support stand.
8. Remove the four rear suspension support to body bolts and discard bolts.
9. Remove rear suspension support from vehicle.

DISASSEMBLY

- TOOLS REQUIRED
- KM-906-B- Bushing Remover Installer





1. Using bushing remover/installer KM-906-7O, KM-906-11, and KM-906-12A press out the rear suspension support bushings

ASSEMBLY





1. Using bushing remover/installer KM-906-70, KM-906-13A, and KM-906-14 press in new damping bushings.

INSTALLATION





1. Raise rear suspension support assembly into vehicle and install using new bolts.
Torque: 90 Nm (66 ft. lbs.) + 90 to 115°





2. Install upper and lower rear suspension control arms to rear axle control arms using new nuts and bolts.
Torque: 90 Nm (66 ft. lbs.) + 60 to 75°.





3. Install stabilizer links to rear axle control arm.
Torque: 55 Nm (41 ft. lbs.)





4. Install heat shield to rear suspension support.
Torque: 8 Nm (71 inch lbs.)





5. Install rear exhaust system with resonator attached.
Torque: 20 Nm (22 ft. lbs.)

NOTICE: Before installing wheels, remove rust or corrosion from wheel mounting surfaces and brake rotors. Failure to do so can cause wheel bolts to loosen in service.

6. Position wheel onto hub.
7. Install wheel bolts and tighten in a crisscross pattern. Repeat tightening pattern to make sure torque is correct.
Torque: 125 Nm (92 ft. lbs.)
8. Lower vehicle from hoist.