lemon-mirror:
Home >> Saab >> 2011 >> 9-4X FWD V6-3.0L >> Repair and Diagnosis >> Transmission and Drivetrain >> Automatic Transmission/Transaxle >> Control Module >> Service and Repair

Control Module: Service and Repair

Control Solenoid Valve and Transmission Control Module Assembly Replacement

Removal Procedure

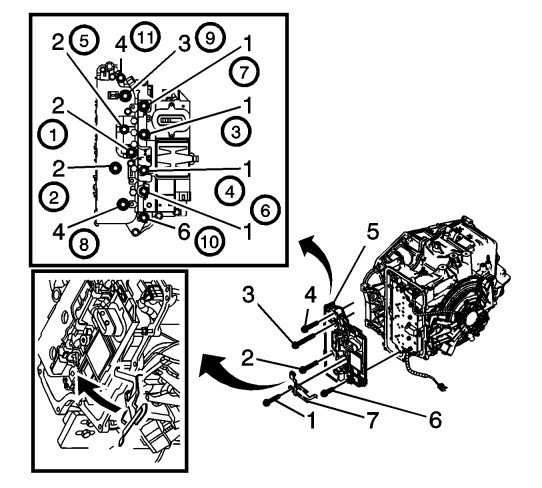
1. Remove the control valve body cover.
2. Disconnect the input speed sensor electrical connector (1).





3. Disconnect the output speed sensor electrical connector (2).
4. Disconnect the shift position switch electrical connector (3).
5. Remove the 4 control valve body bolts (1) M6 x 80.





6. Position the control solenoid valve spring (8) to the side. Spring will be released with the removal of the control valve body assembly.
7. Remove the 2 control valve body bolts (4) M6 x 65.
8. Remove the control valve body bolt (3) M6 x 42.
9. Remove the 3 control valve body bolts (2) M6 x 95.
10. Remove the control valve body bolt (7) M6 x 55.
11. Remove the control solenoid valve body and transmission control module (TCM) assembly (5).

12. Warning
Use care when removing or installing the filter plate assembly. A broken or missing retaining tab may not adequately secure the filter plate to the control solenoid valve assembly, resulting in possible damage or contamination.

Remove the control solenoid valve assembly filter plate (6).

- Discard the filler plate. It is not reusable.
- Inspect the pressure switch manifold seals for damage or contamination. Replace the control solenoid valve assembly as necessary.
- Inspect the upper channel plate bolt holes for damage, peening or brinelling. Any damage around the bolt holes near the pressure control switch (PCS) feed holes could cause leakage around the PCS seals. Replace the upper channel plate as necessary.

Installation Procedure

1. Warning
Use care when removing or installing the filter plate assembly. A broken or missing retaining tab may not adequately secure the filter plate to the control solenoid valve assembly, resulting in possible damage or contamination.

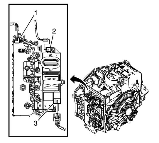
Install a NEW control solenoid valve assembly filter plate (1).





2. Install the control solenoid valve body and TCM assembly (5).





3. Rotate the control solenoid valve spring (7) into position.
4. Refer to Fastener Caution.

Note
Install all bolts before tightening, then tighten in specified sequence.

Install the 4 control valve body bolts (1) M6 x 80.

5. Install the control valve body bolt (6) M6 x 55.
6. Install the 3 control valve body bolts (2) M6 x 95.
7. Install the control valve body bolt (3) M6 x 42.
8. Install the 2 control valve body bolts (4) M6 x 65 and tighten to 12 Nm (106 lb in).
9. Connect the input speed sensor electrical connector (1).





10. Connect the output speed sensor electrical connector (2).
11. Connect the shift position switch electrical connector (3).
12. Install the control valve body cover.
13. If a NEW TCM has been installed into the vehicle, the NEW module needs to be reprogrammed. Refer to Service Programming System (SPS).

14. Note
The Transmission Adaptive Values Learn procedure must be performed when one of the following repairs have been made to the vehicle. Failure to perform the procedure after one of the following repairs may result in poor transmission performance, as well as transmission DTCs being set: Programming and Relearning

- Transmission internal service/overhaul
- Valve body repair or replacement
- Control solenoid valve assembly replacement
- TCM software/calibration update
- Any service in response to a shift quality concern

Perform the Transmission Adaptive Values Learn procedure. Programming and Relearning