lemon-mirror:
Home >> Saab >> 2011 >> 9-4X FWD V6-3.0L >> Repair and Diagnosis >> Specifications >> Electrical Specifications >> Power Locks >> Remote Function Schematics

Remote Function Schematics



Remote Function Schematics

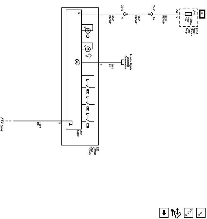
Garage Door Opener (UG1)







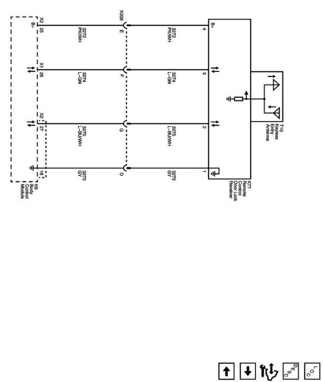
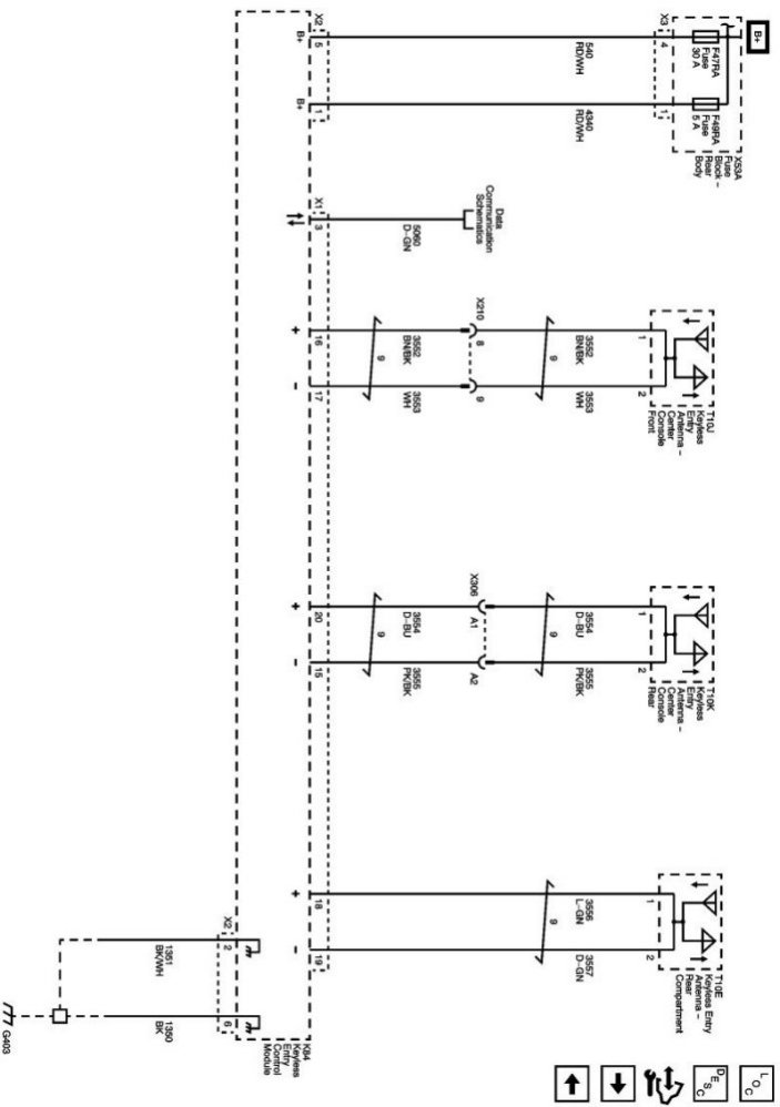
Remote Keyless Entry







Passive Start







Passive Entry (ATH)