lemon-mirror:
Home >> Saab >> 2011 >> 9-4X FWD V6-3.0L >> Repair and Diagnosis >> Specifications >> Electrical Specifications >> Power Locks >> Release Systems Schematics

Release Systems Schematics



Release Systems Schematics

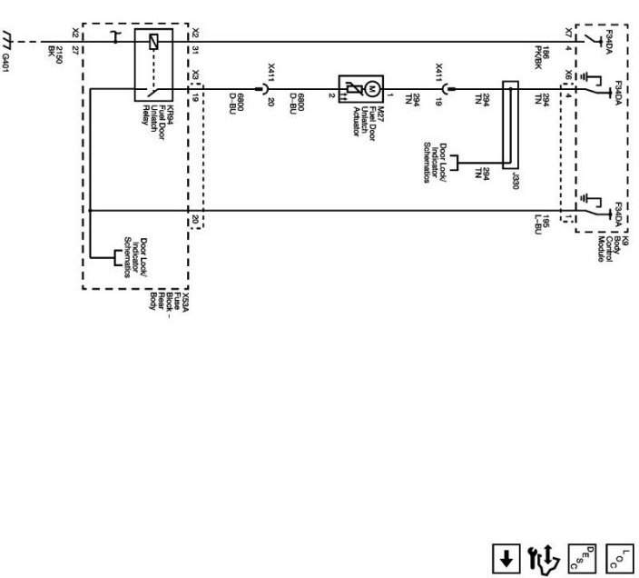
Fuel Door







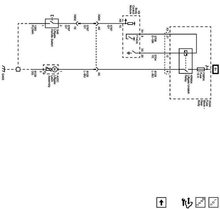
Liftgate (without TB5)