lemon-mirror:
Home >> Saab >> 2011 >> 9-4X FWD V6-3.0L >> Repair and Diagnosis >> Specifications >> Electrical Specifications >> Power Locks >> Door Lock/Indicator Schematics

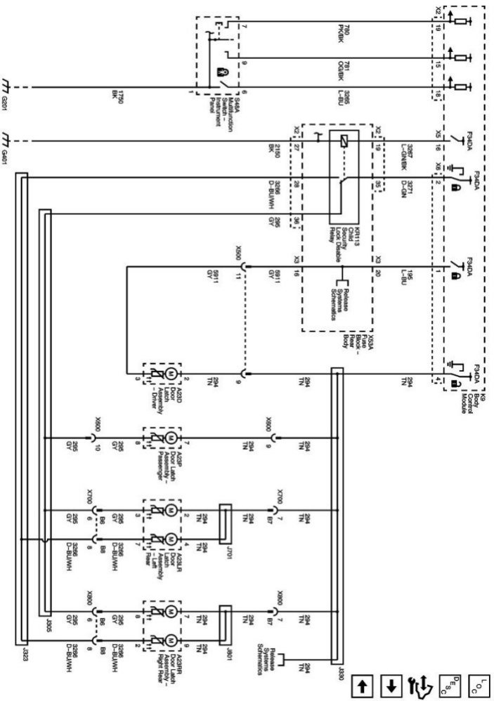
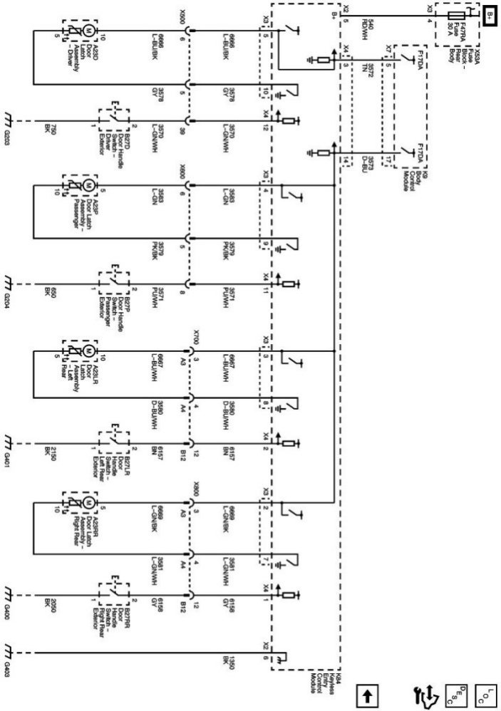
Door Lock/Indicator Schematics



Door Lock/Indicator Schematics

Door Ajar and Lock Status Control







Door Locks (Except ATH)







Door Locks (ATH)