lemon-mirror:
Home >> Saab >> 2011 >> 9-4X FWD V6-3.0L >> Repair and Diagnosis >> Powertrain Management >> Computers and Control Systems >> Transmission Position Sensor/Switch >> Service and Repair

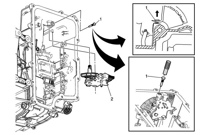
Transmission Position Sensor/Switch: Service and Repair

Manual Shift Detent Lever with Shaft Position Switch Assembly Replacement