lemon-mirror:
Home >> Saab >> 2008 >> 9-7X L6-4.2L >> Repair and Diagnosis >> Locations >> Component Locations >> Powertrain Component Views

Powertrain Component Views



Powertrain Component Views

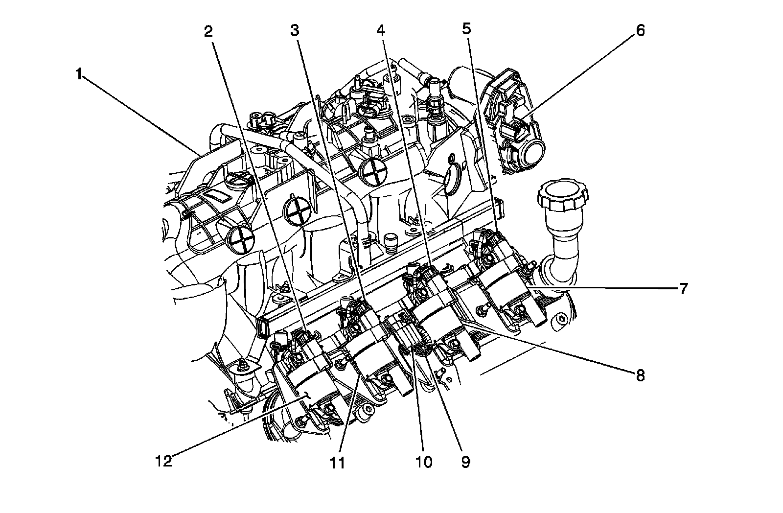
Lower Left Side of the Engine (4.2L)




1 - Evaporative Emission (EVAP) Canister Purge Solenoid
2 - Starter
3 - Crankshaft Position (CKP) Sensor
4 - Knock Sensor (KS) 2, Rear
5 - Knock Sensor (KS) 1, Front

Top of Engine




1 - Ignition Coil 1
2 - Ignition Coil 2
3 - Ignition Coil 3
4 - Ignition Coil 4
5 - Ignition Coil 5
6 - Ignition Coil 6
7 - Fuel Injector 6
8 - Fuel Injector 5
9 - Fuel Injector 4
10 - Fuel Injector 3
11 - Fuel Injector 2
12 - Fuel Injector 1

Right Side of the Engine - Front




1 - Mass Air Flow (MAF) / Intake Air Temperature (IAT) Sensor
2 - Camshaft Actuator Solenoid Assembly
3 - Camshaft Position (CMP) Sensor
4 - Engine Oil Pressure (EOP) Switch
5 - Heated Oxygen Sensor (HO2S) Sensor 1

Upper Right Side of the Engine - Rear




1 - Manifold Absolute Pressure (MAP) Sensor
2 - Throttle Body
3 - Engine Coolant Temperature (ECT) Sensor

Camshaft Position (CMP) Sensor




1 - Camshaft Position (CMP) Sensor
2 - C110

Upper Left Side of the Engine




1 - Fuel Injector 1
2 - Evaporative Emission (EVAP) Canister Purge Solenoid
3 - Fuel Injector 3
4 - Manifold Absolute Pressure (MAP) Sensor
5 - Fuel Injector 5
6 - Fuel Injector 7
7 - Engine
8 - Ignition Coil 7
9 - Ignition Coil 5
10 - Ignition Coil Harness
11 - C109
12 - Ignition Coil 3
13 - Ignition Coil 1

Upper Right Side of the Engine




1 - Engine
2 - Fuel Injector 8
3 - Fuel Injector 6
4 - Fuel Injector 4
5 - Fuel Injector 2
6 - Throttle Body
7 - Ignition Coil 2
8 - Ignition Coil 4
9 - Ignition Coil Harness
10 - C108
11 - Ignition Coil 6
12 - Ignition Coil 8

Rear of the Engine




1 - Engine
2 - Engine Harness
3 - Engine Oil Pressure (EOP) Sensor Connector
4 - Valve Lifter Oil Manifold (VLOM) Assembly
5 - Heated Oxygen Sensor (HO2S) Bank 2 Sensor 1 Connector
6 - Transmission
7 - Heated Oxygen Sensor (HO2S) Bank 1 Sensor 1 Connector

Lower Left Side of Engine - Rear




1 - G108
2 - Knock Sensor (KS) 1 - Left
3 - Engine
4 - G107
5 - Engine Harness

Lower Right Side of the Engine - Rear




1 - Crankshaft Position (CKP) Sensor
2 - Knock Sensor (KS) 2 - Right
3 - Engine Harness
4 - Starter
5 - Engine

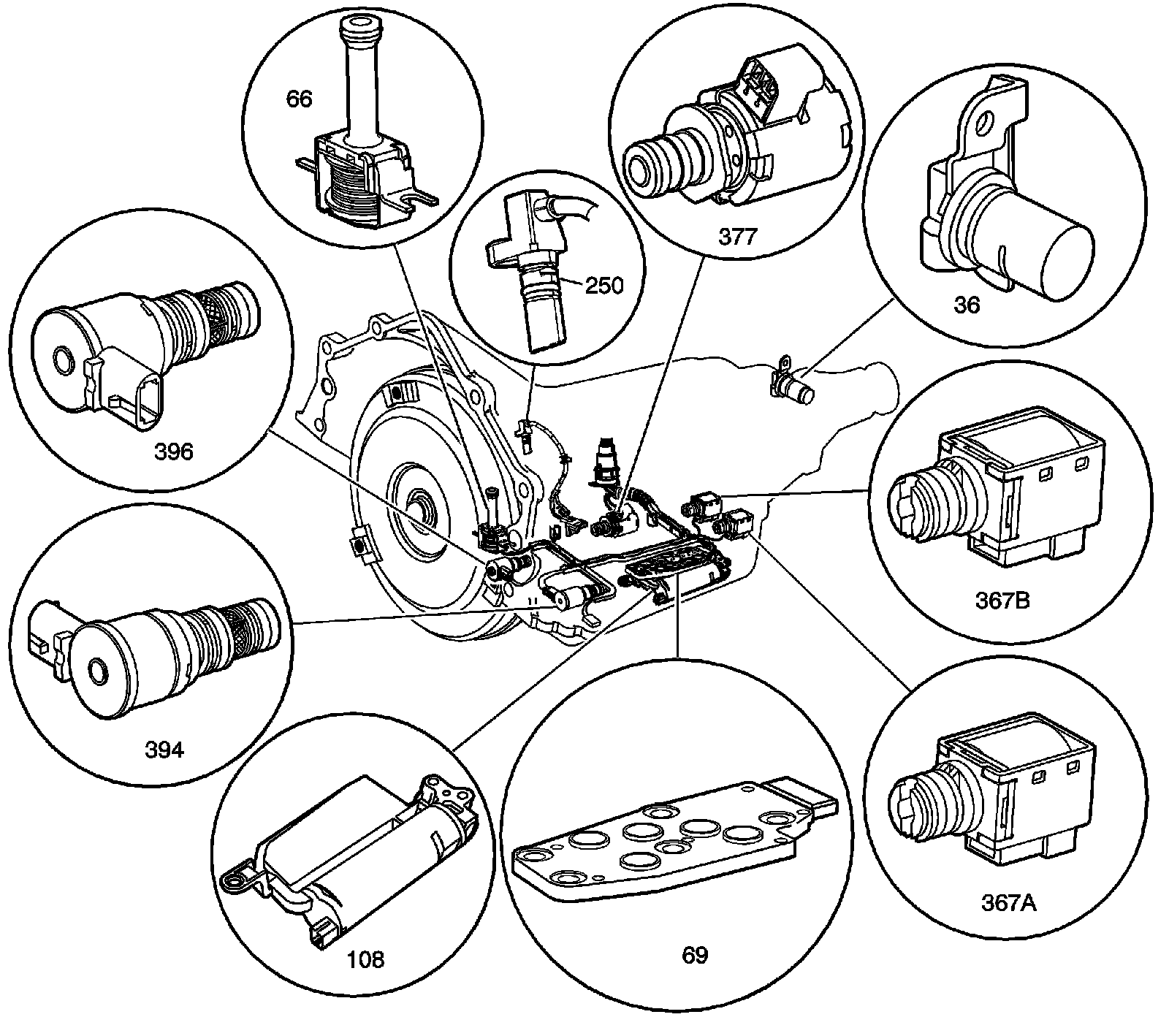
Electronic Components

Electronic Components:




36 - Vehicle Speed Sensor (VSS) - Model Dependent
66 - Torque Converter Clutch (TCC) Solenoid Valve
69 - Automatic Transmission Fluid Pressure (TFP) Manual Valve Position Switch
250 - Input Speed Sensor (ISS) Assembly - Model Dependent
367a - 1-2 Shift Solenoid (SS) Valve
367b - 2-3 Shift Solenoid (SS) Valve
377 - Pressure Control (PC) Solenoid Valve
394 - 3-2 Shift Solenoid (SS) Valve Assembly
396 - Torque Converter Clutch Pulse Width Modulation (TCC PWM) Solenoid Valve

Park Neutral Position (PNP) Switch

Park Neutral Position (PNP) Switch:




1 - Automatic Transmission 4L60-E/4L65-E/4L70-E
2 - Park/Neutral Position (PNP) Switch