lemon-mirror:
Home >> Saab >> 2007 >> 9-7X L6-4.2L >> Repair and Diagnosis >> Specifications >> Mechanical Specifications >> Engine >> Timing Components >> System Specifications

System Specifications


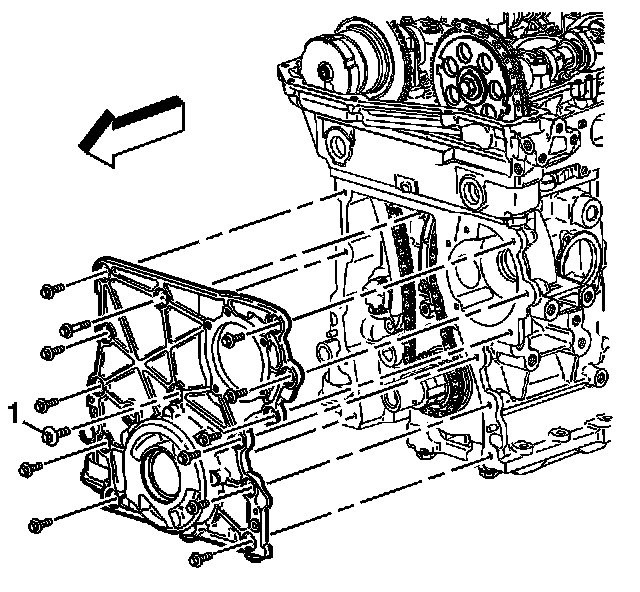
Torque Specifications

Timing Cover




Engine Front Cover Bolt 10 Nm (89 in. lbs.)
Engine Front Cover Spacer Bolt 10 Nm (89 in. lbs.)

Crankshaft Balancer Bolt




^ First Pass 150 Nm (110.6 ft. lbs.)
^ Final Pass 180 degrees