lemon-mirror:
Home >> Saab >> 2006 >> 9-2X F4-2.5L >> Repair and Diagnosis >> Powertrain Management >> Ignition System >> Testing and Inspection

Ignition System: Testing and Inspection

IGNITION CONTROL SYSTEM

CAUTION: After repair or replacement of faulty parts, conduct Clear Memory Mode and Inspection Mode. List of Diagnostic Trouble Code (DTC)

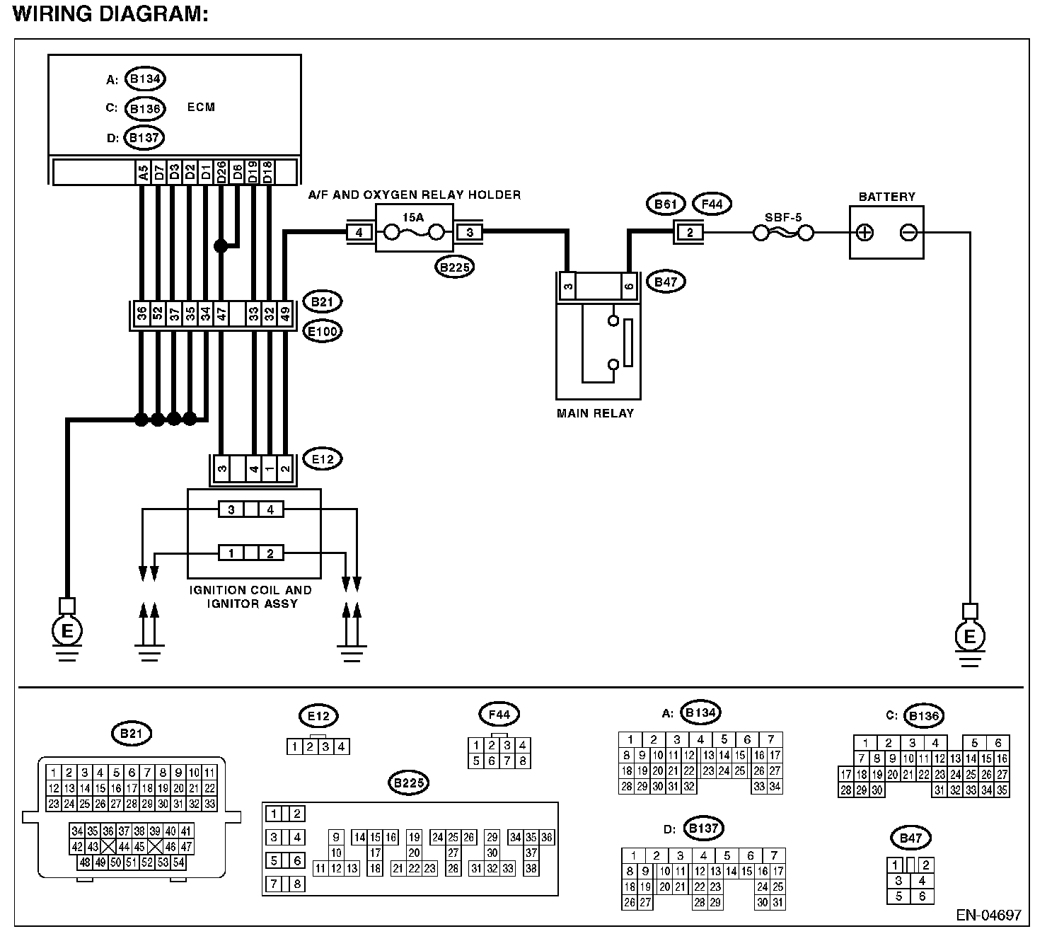
Wiring Diagram:




Step 1 - 5:




Step 6 - 8: