lemon-mirror:
Home >> Saab >> 2006 >> 9-2X F4-2.5L >> Repair and Diagnosis >> Powertrain Management >> Computers and Control Systems >> Engine Control Module >> Testing and Inspection >> Component Tests and General Diagnostics

Component Tests and General Diagnostics

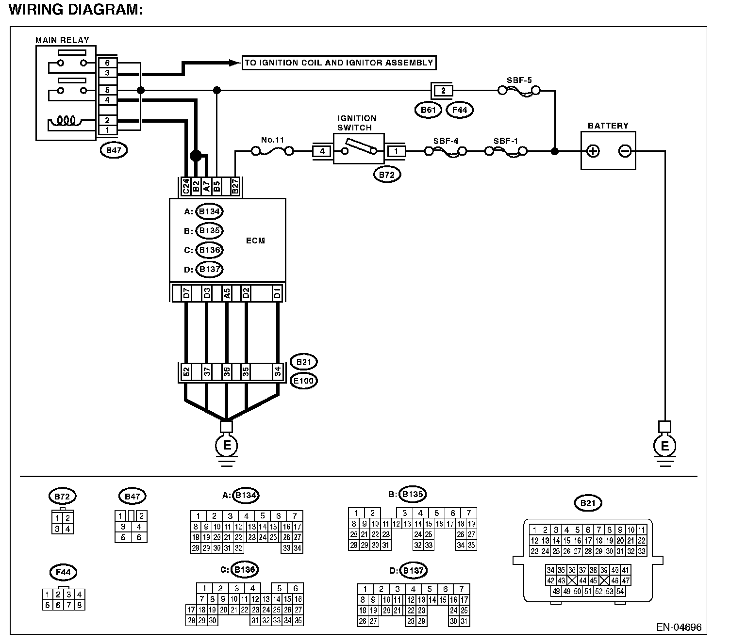
CHECK POWER SUPPLY AND GROUND LINE OF ENGINE CONTROL MODULE (ECM)

CAUTION: After repair or replacement of faulty parts, conduct Clear Memory Mode and Inspection Mode. List of Diagnostic Trouble Code (DTC)

Wiring Diagram:




Step 1 - 5: