lemon-mirror:
Home >> Saab >> 2005 >> 9-7X L6-4.2L >> Repair and Diagnosis >> Body and Frame >> Frame >> Service and Repair

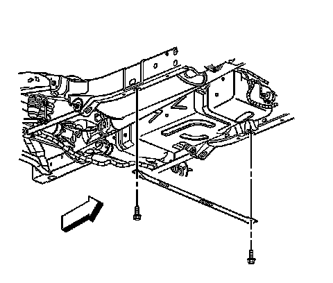
Frame: Service and Repair



Frame Brace Replacement

Removal Procedure




1. Raise and support the vehicle. Refer to Lifting and Jacking the Vehicle (Service and Repair).
2. Remove the 2 mounting bolts from the frame brace.
3. Remove the frame brace from the frame.

Installation Procedure

Notice: Refer to Fastener Notice (Fastener Notice).




1. Install the frame brace to the frame using the 2 mounting bolts.

Tighten the bolts to 20 Nm (15 ft. lbs.).

2. Lower the vehicle.