lemon-mirror:
Home >> Saab >> 2005 >> 9-2X F4-2.5L >> Repair and Diagnosis >> Powertrain Management >> Ignition System >> Testing and Inspection

Ignition System: Testing and Inspection

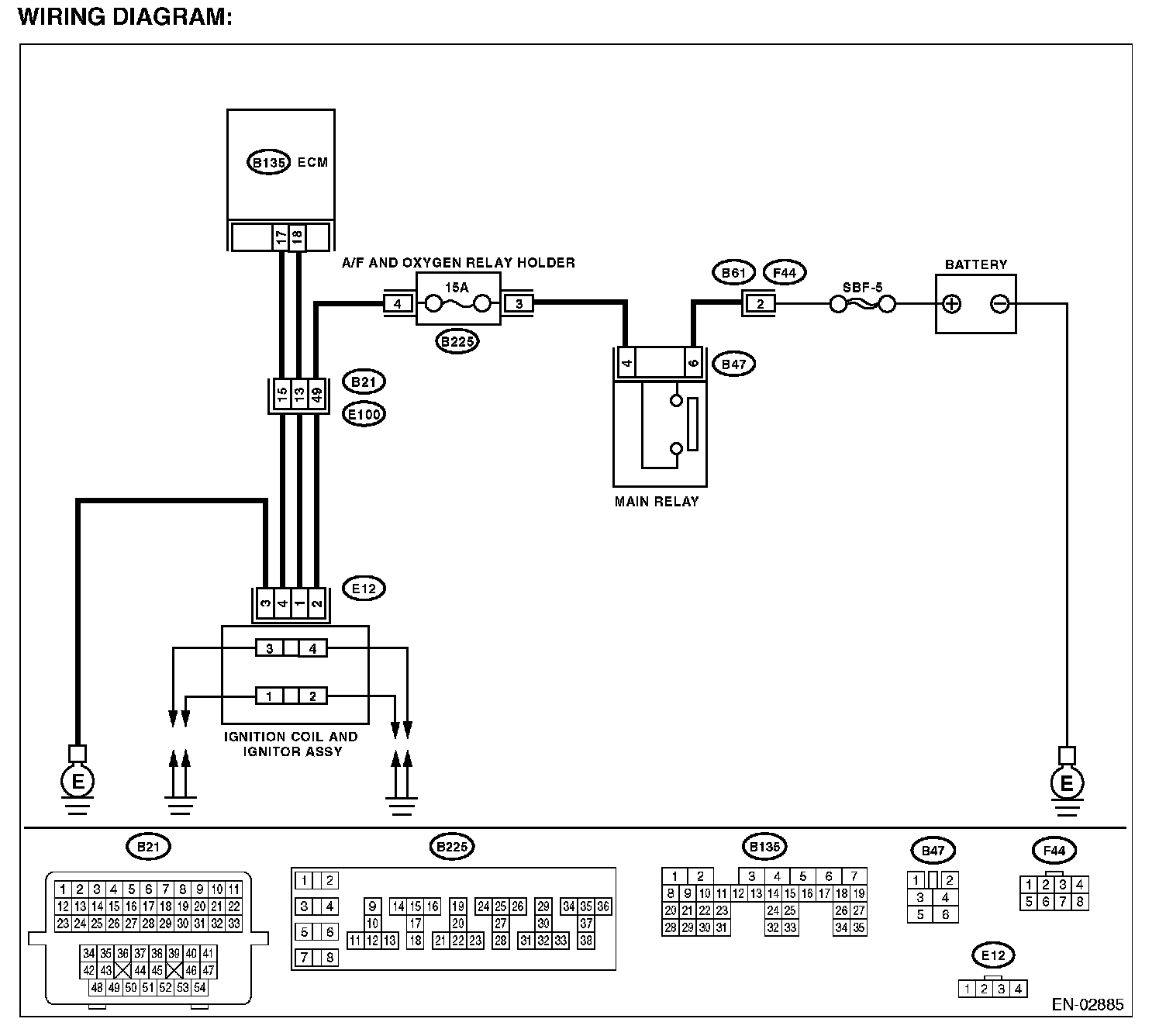
IGNITION CONTROL SYSTEM

CAUTION: After repair or replacement of faulty parts, conduct Clear Memory Mode and Inspection Mode.
Clearing Diagnostic Trouble Codes
Basic Descriptions

Wiring Diagram:






Step 1 - 5:




Step 6 - 8: