lemon-mirror:
Home >> Saab >> 2005 >> 9-2X F4-2.5L >> Repair and Diagnosis >> Diagrams >> Exploded Views >> Engine >> System Diagram

System Diagram

Component

TIMING BELT:




CYLINDER HEAD AND CAMSHAFT:




CYLINDER HEAD AND CAMSHAFT:




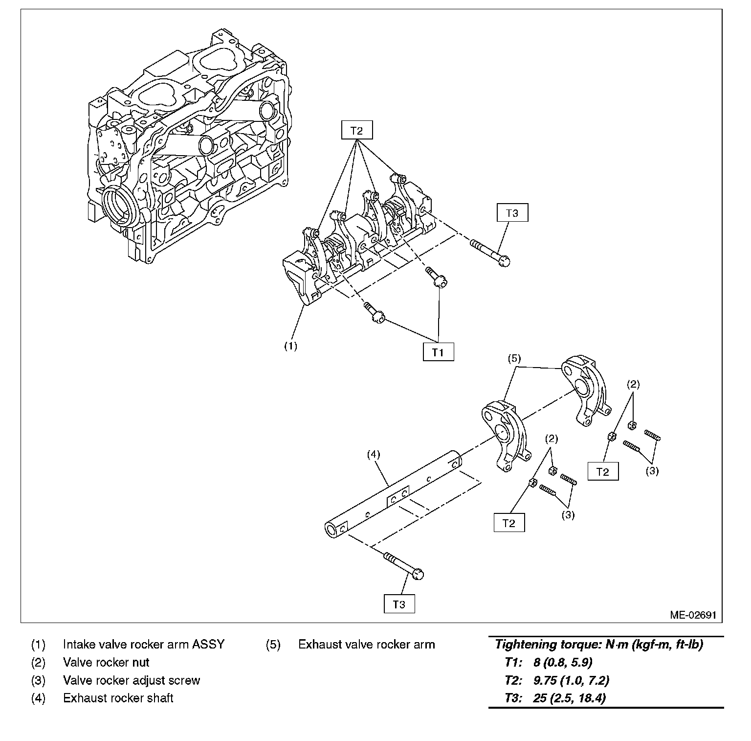
VALVE ROCKER ASSEMBLY:




CYLINDER HEAD AND VALVE ASSEMBLY:




CYLINDER BLOCK:




CRANKSHAFT AND PISTON:




ENGINE MOUNTING: