lemon-mirror:
Home >> Saab >> 2005 >> 9-2X F4-2.0L Turbo >> Repair and Diagnosis >> Powertrain Management >> Computers and Control Systems >> Throttle Position Sensor >> Locations

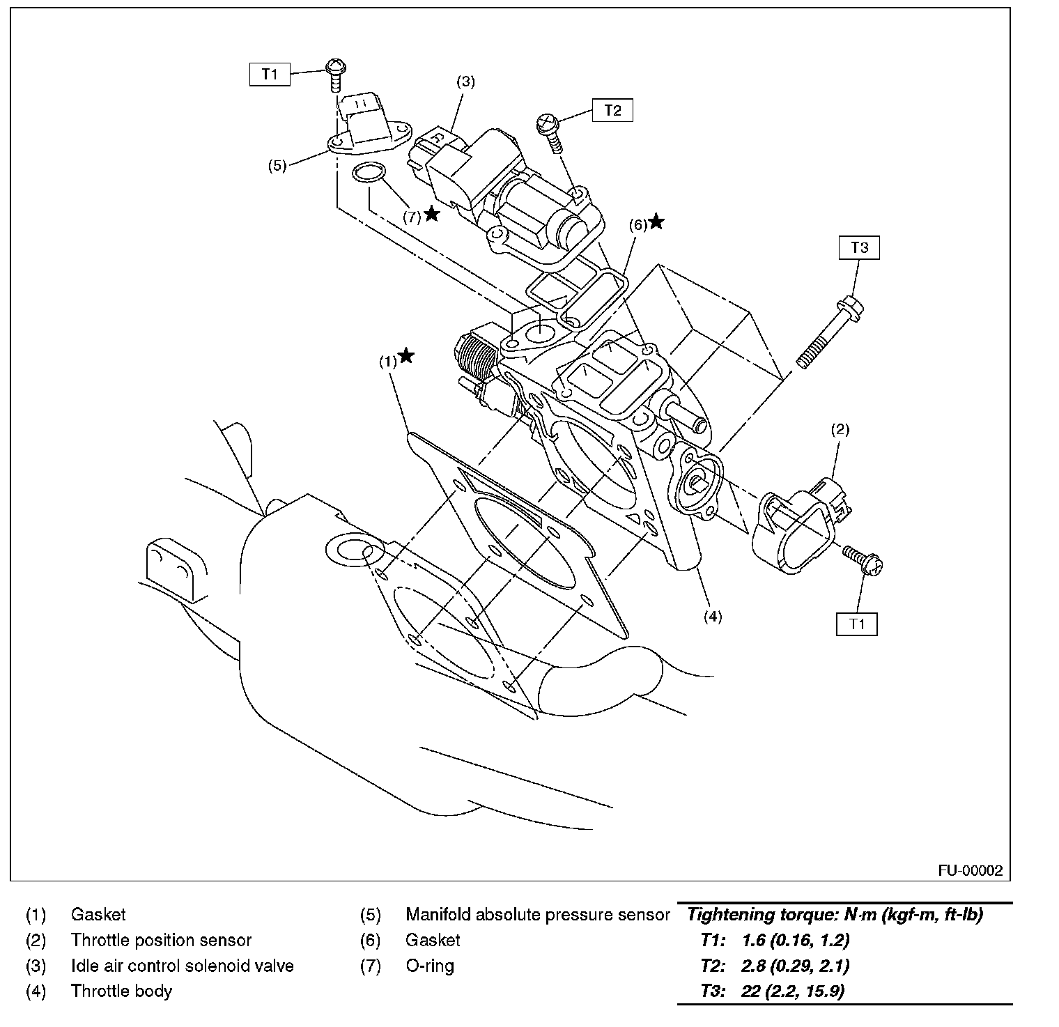
Throttle Position Sensor: Locations

Air Intake System: