lemon-mirror:
Home >> Porsche >> 1985 >> 944 L4-2479cc 2.5L >> Repair and Diagnosis >> Heating and Air Conditioning >> Service and Repair >> Using the Service Unit >> Secu Service Unit >> Service Unit

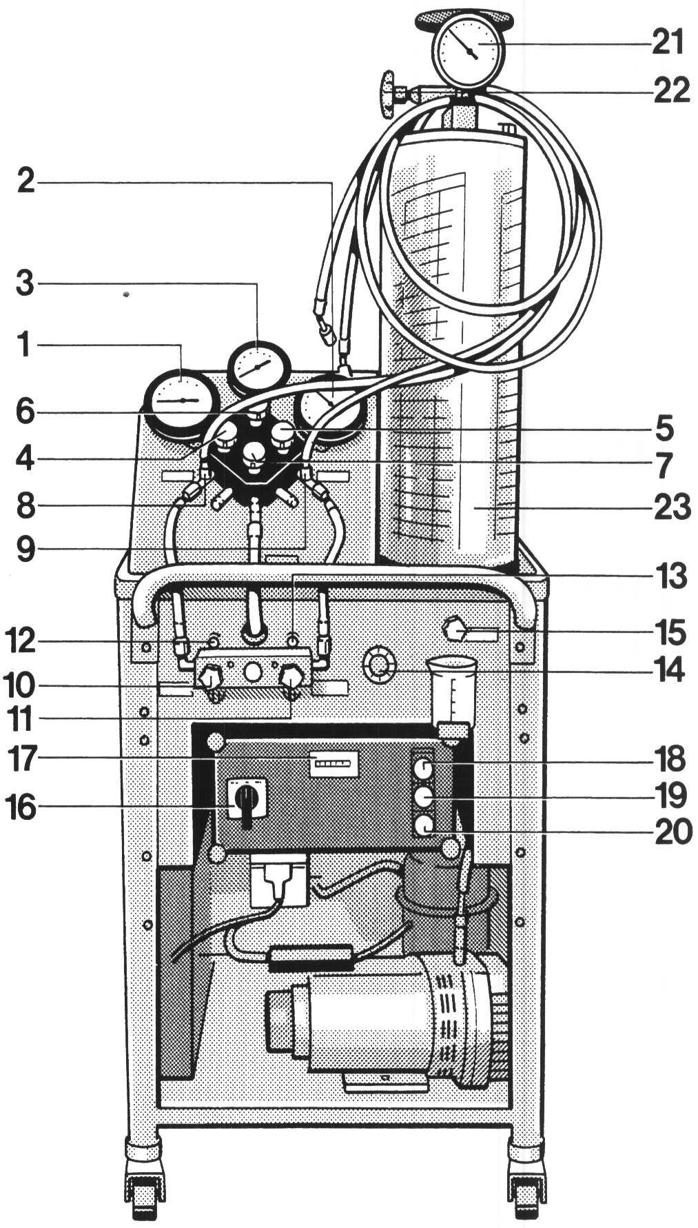
Service Unit




Service unit SECU





1 - Pressure gauge, low pressure
2 - Pressure, high pressure
3 - Torr meter
4 - Shut-off valve, low pressure (blue)
5 - Shut-off valve, high pressure (red)
6 - Shut-off valve, torrmeter (black)
7 - Shut-off valve, vacuum pump (yellow)
8 - Connection piece, low pressure
9 - Connection piece, high pressure
10 - Shut-off valve, refrigerant inlet
11 - Shut-off valve, refrigerant outlet
12 - Connection piece, refrigerant inlet (from refrigerant bottle)
13 - Connection piece, refrigerant outlet (to refrigerant bottle)
14 - Moisture indicator
15 - Drain valve, refrigerating oil
16 - Main switch
17 - Operating hours counter
18 - Pilot lamp, yellow
19 - Pilot lamp, red
20 - Pilot lamp, green
21 - Pressure gauge, filling cylinder
22 - Shut-off valve, filling cylinder
23 - Filling cylinder with weight scale