lemon-mirror:
Home >> Pontiac >> 2010 >> G6 V6-3.5L >> Repair and Diagnosis >> Powertrain Management >> Computers and Control Systems >> Fuel Level Sensor >> Service and Repair

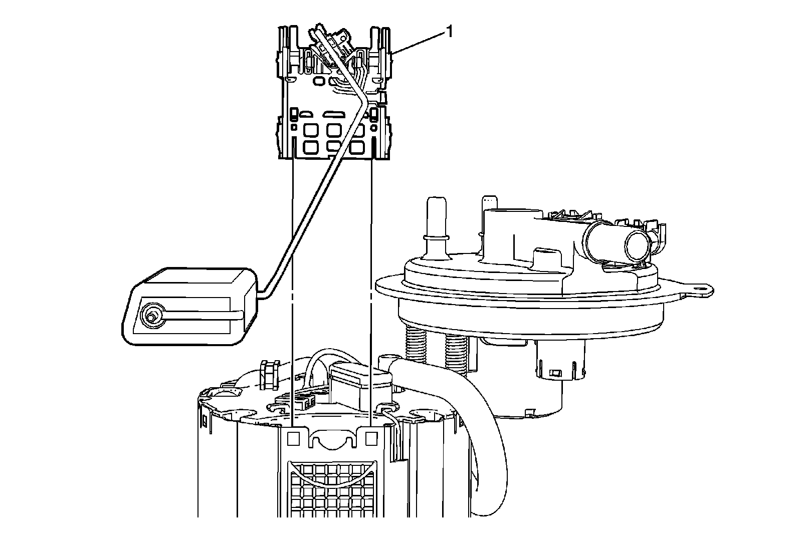
Fuel Level Sensor: Service and Repair




Fuel Level Sensor Replacement