lemon-mirror:
Home >> Pontiac >> 2010 >> G6 L4-2.4L >> Repair and Diagnosis >> Locations >> Component Locations >> Front of Vehicle/Engine Compartment Component Views >> Left Front Engine Compartment Components

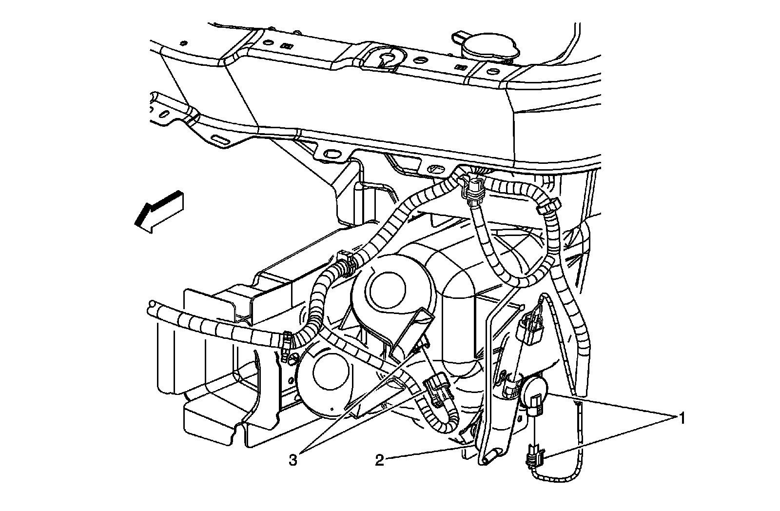
Left Front Engine Compartment Components




Front of Vehicle/Engine Compartment Component Views

Left Front Engine Compartment Components




1 - Windshield Washer Fluid Level Switch
2 - Windshield Washer Fluid Pump
3 - Horn Assembly