lemon-mirror:
Home >> Pontiac >> 2010 >> G6 L4-2.4L >> Repair and Diagnosis >> Locations >> Component Locations >> Front of Vehicle/Engine Compartment Component Views >> Cooling System Components

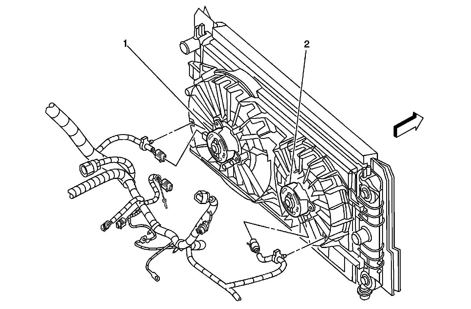
Cooling System Components




Front of Vehicle/Engine Compartment Component Views

Cooling System Components




1 - Engine Cooling Fan - Left
2 - Engine Cooling Fan - Right