lemon-mirror:
Home >> Pontiac >> 2010 >> G3 L4-1.6L >> Repair and Diagnosis >> Locations >> Component Locations >> Powertrain Component Views

Powertrain Component Views




Powertrain Component Views (LXT)

Fuel Injection and Air Cleaner




1 - Air Cleaner
2 - Intake Air Temperature (IAT) Sensor
3 - Throttle Body
4 - Ignition Coil (IC) Module
5 - Fuel Injector 1
6 - Fuel Injector 2
7 - Fuel Injector 3
8 - Fuel Injector 4
9 - Fuel Rail
10 - Engine Control Module (ECM)

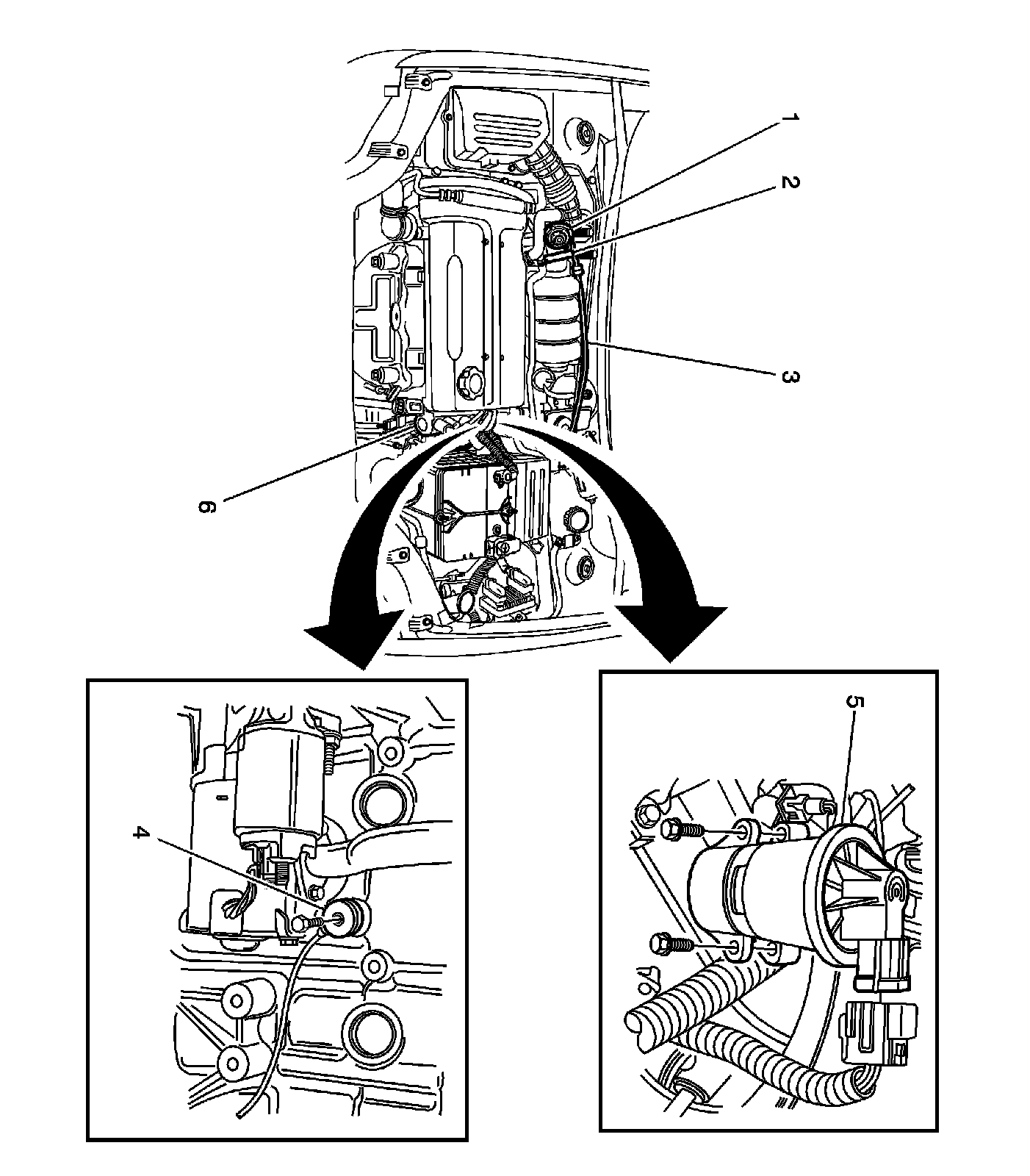
Exhaust Gas Recirculation (EGR) and Knock Sensor
(KS)





1 - Idle Air Control (IAC) Valve
2 - Throttle Position (TP) Sensor
3 - Intake Manifold Tuning Valve Solenoid
4 - Knock Sensor (KS)
5 - Exhaust Gas Recirculation (EGR) Valve
6 - Vehicle Speed Sensor (VSS)

Crankshaft Position (CKP) Sensor, Camshaft Position
(CMP) Sensor, and Manifold Absolute Pressure (MAP) Sensor





1 - Battery
2 - Manifold Absolute Pressure (MAP) Sensor
3 - Camshaft Position (CMP) Sensor
4 - Crankshaft Position (CKP) Sensor
5 - Rough Road Sensor
6 - Octane Selection Switch

Engine Data Sensors




1 - Engine Coolant Temperature (ECT) Sensor
2 - Heated Oxygen Sensor (HO2S)1
3 - Heated Oxygen Sensor (HO2S) 2
4 - Oil Pressure Switch
5 - EVAP Canister Purge Solenoid Valve
6 - Intake Manifold Tuning Valve Solenoid

Fuel Vapor Recovery System




1 - Fuel Tank
2 - Fuel Line to Fuel Rail
3 - EVAP Canister Purge Vacuum Line to Intake Manifold
4 - EVAP Canister Purge Solenoid Valve
5 - EVAP Service Port
6 - EVAP Canister Vent Solenoid Valve
7 - EVAP Canister
8 - Fuel Fill Tube
9 - Fuel Filler Cap
10 - Fuel Tank Pressure Sensor
11 - Fuel Pump/Sender Assembly