lemon-mirror:
Home >> Pontiac >> 2009 >> Solstice L4-2.0L Turbo >> Repair and Diagnosis >> Powertrain Management >> Computers and Control Systems >> Engine Control Module >> Service and Repair

Engine Control Module: Service and Repair




Engine Control Module Replacement

Removal Procedure





Warning

Replacement or reprogramming of the ECM, or replacement of the clutch pedal position sensor (CPPS) or clutch pedal requires that a CPPS learn procedure be performed. Failure to perform the CPPS learn procedure may result in personal injury or damage to the vehicle or its components if the vehicle is in gear and the starter motor is accidentally engaged.

Caution:
* Turn the ignition OFF when installing or removing the control module connectors and disconnecting or reconnecting the power to the control module (battery cable, powertrain control module (PCM)/engine control module (ECM)/transaxle control module (TCM) pigtail, control module fuse, jumper cables, etc.) in order to prevent internal control module damage.
* Control module damage may result when the metal case contacts battery voltage. DO NOT contact the control module metal case with battery voltage when servicing a control module, using battery booster cables, or when charging the vehicle battery.
* In order to prevent any possible electrostatic discharge damage to the control module, do no touch the connector pins or the soldered components on the circuit board.
* Remove any debris from around the control module connector surfaces before servicing the control module. Inspect the control module connector gaskets when diagnosing or replacing the control module. Ensure that the gaskets are installed correctly. The gaskets prevent contaminant intrusion into the control module.
* The replacement control module must be programmed.

Note: It is necessary to record the remaining engine oil life. If the replacement module is not programed with the remaining engine oil life, the engine oil life will default to 100 percent. If the replacement module is not programmed with the remaining engine oil life, the engine oil will need to be changed at 5 000 km (3,000 mi) from the last engine oil change.

1. Using a scan tool, retrieve the percentage of remaining engine oil. Record the remaining engine oil life.
2. Record the preset radio stations.
3. Turn the ignition OFF.
4. Disconnect the negative battery cable. Refer to Battery Negative Cable Disconnection and Connection (Service and Repair).
5. Remove the left front fender. Refer to Front Fender Replacement (Service and Repair).
6. Remove the windshield washer solvent container. Refer to Windshield Washer Solvent Container Replacement (SKY) (Windshield Washer Solvent Container Replacement)Windshield Washer Solvent Container Replacement (Solstice) (Windshield Washer Solvent Container Replacement).
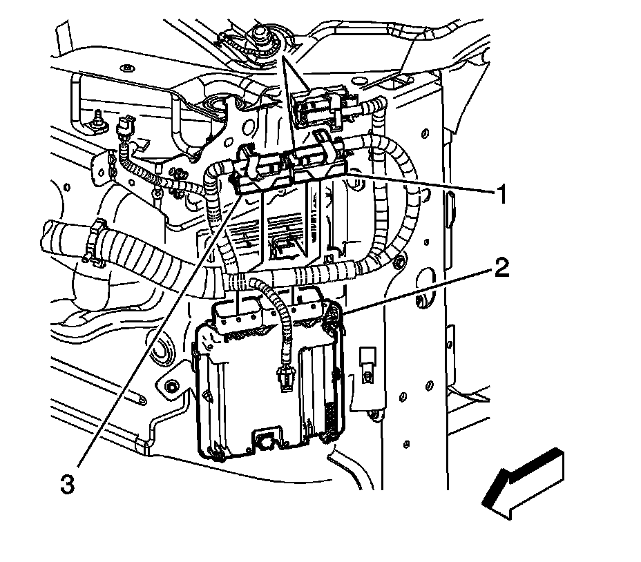
7. Release the engine control module (ECM) bracket upper and lower retaining tabs (1, 2) using a small screwdriver or other suitable tool.
8. Remove the ECM from the bracket by lifting upward after releasing the tabs.




9. Disconnect the engine wiring harness electrical connectors (1, 3) from the ECM (2).

Installation Procedure




1. Connect the engine wiring harness electrical connectors (1, 3) to the ECM (2).




2. Slide the ECM into the bracket.
3. Push down on the ECM until the upper and lower retaining tabs (1, 2) snaps into place.
4. Connect the negative battery cable. Refer to Battery Negative Cable Disconnection and Connection (Service and Repair).
5. Install the windshield washer solvent container. Refer to Windshield Washer Solvent Container Replacement (SKY) (Windshield Washer Solvent Container Replacement)Windshield Washer Solvent Container Replacement (Solstice) (Windshield Washer Solvent Container Replacement).
6. Install the left front fender. Refer to Front Fender Replacement (Service and Repair).
7. Reset the clock and preset radio stations.
8. If a NEW ECM was installed, the ECM must be programmed. Refer to Control Module References (Programming and Relearning).
9. If equipped with a manual transmission, perform the clutch pedal position sensor learn procedure. Refer to Clutch Pedal Position Sensor Learn (Programming and Relearning).