lemon-mirror:
Home >> Pontiac >> 2009 >> Solstice L4-2.0L Turbo >> Repair and Diagnosis >> Diagrams >> Exploded Views >> Engine

Engine




Disassembled Views

Cylinder Head and Components




1 - Camshaft Position Actuator Solenoid Valve - Intake
2 - Camshaft Position Actuator Solenoid Valve Bolt
3 - Camshaft Position Actuator Solenoid Valve Bolt
4 - Camshaft Position Actuator Solenoid Valve - Exhaust
5 - Upper Intake Manifold Sight Shield Grommet
6 - Ball Stud
7 - Upper Intake Manifold Sight Shield Grommet
8 - Turbocharger Coolant Feed Pipe Fitting
9 - Turbocharger Coolant Feed Hose Gasket
10 - Turbocharger Coolant Feed Hose Clamp
11 - Turbocharger Coolant Feed Hose
12 - Turbocharger Coolant Feed Hose Bolt
13 - Turbocharger Coolant Feed Hose Gasket
14 - Turbocharger Coolant Feed Hose Clamp
15 - Upper Intake Manifold Sight Shield Grommet
16 - Ball Stud
17 - Ignition Coil Bolt
18 - Ignition Coil Bolt Retainer
19 - Ignition Coil
20 - Spark Plug
21 - Camshaft Cover Bolt
22 - Camshaft Cover Bolt Retainer
23 - Oil Fill Cap
24 - Oil Fill Cap Seal
25 - Camshaft Cover
26 - Camshaft Cover Seal
27 - Camshaft Cover Seal
28 - Camshaft Cap Bolt
29 - Camshaft Cap
30 - Camshaft Cap
31 - Camshaft Cap
32 - Exhaust Camshaft
33 - Intake Camshaft
34 - Camshaft Position Sensor Bolt
35 - Camshaft Position Sensor
36 - Camshaft Position Sensor O-Ring
37 - Roller Finger Follower
38 - Hydraulic Lash Adjuster
39 - Roller Finger Follower
40 - Hydraulic Lash Adjuster
41 - Cylinder Head Bolt
42 - Coolant Air Bleed Fitting
43 - Valve Keys
44 - Valve Spring Retainer
45 - Valve Spring
46 - Valve Stem Seal
47 - Small Cylinder Head Bolt
48 - Cylinder Head
49 - Timing Chain Guide Bolt Access Hole
50 - Exhaust Valve
51 - Intake Valve
52 - Camshaft Position Sensor Bolt
53 - Camshaft Position Sensor - Intake
54 - Camshaft Position Sensor O-Ring
55 - Cylinder Head Gallery Plug
56 - Rear Lift Bracket
57 - Rear Lift Bracket Bolt
58 - Cylinder Head Cover Plate Seal
59 - Cylinder Head Cover Plate
60 - Cylinder Head Cover Plate Bolt
61 - Fuel Injector Seal
62 - Fuel Injector
63 - Fuel Injector O-Ring
64 - Fuel Injector Hold Down Clamp
65 - Fuel Rail
66 - Fuel Rail Pressure Sensor
67 - Fuel Injector Wiring Harness
68 - Fuel Rail Bolt

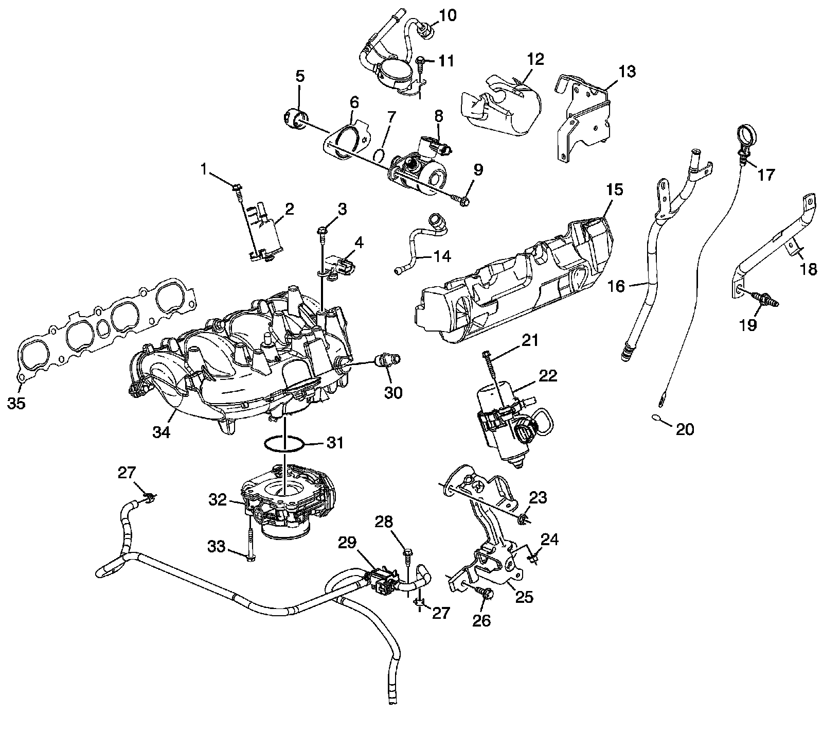
Intake Manifold and Components




1 - Evaporative (EVAP) Emission Purge Solenoid Valve Bolt
2 - EVAP Purge Solenoid Valve
3 - Manifold Absolute Pressure (MAP) Sensor Bolt
4 - MAP Sensor
5 - Fuel Pump Lifter
6 - High Pressure Fuel Pump Gasket
7 - High Pressure Fuel Pump O-Ring
8 - High Pressure Fuel Pump
9 - High Pressure Fuel Pump Bolt
10 - Fuel Feed Line
11 - Fuel Feed Line Bolt
12 - High Pressure Fuel Pump Insulator
13 - High Pressure Fuel Pump Cover
14 - High Pressure Fuel Line
15 - Fuel Injector Insulator
16 - Oil Indicator Tube
17 - Oil Indicator
18 - Intake Manifold Brace
19 - Intake Manifold Brace Stud
20 - Oil Indicator O-Ring
21 - Vacuum Pump Bolt
22 - Vacuum Pump
23 - Vacuum Pump Bracket Nut
24 - Vacuum Pump Bracket Nut
25 - Vacuum Pump Bracket
26 - Vacuum Pump Bracket Bolt
27 - Charger AIR Bypass Tube Assembly Clip
28 - AIR Bypass Valve Solenoid Bolt
29 - AIR Bypass Valve Solenoid
30 - Power Brake Booster Fitting
31 - Throttle Body Seal
32 - Throttle Body
33 - Throttle Body Bolt
34 - Intake Manifold
35 - Intake Manifold Gasket

Exhaust Manifold and Components




1 - Turbocharger Wastegate Regulator Solenoid Hose
2 - Turbocharger Wastegate Regulator Solenoid Hose Clamp
3 - Turbocharger Wastegate Regulator Solenoid Hose
4 - Turbocharger Wastegate Regulator Solenoid Valve Assembly
5 - Turbocharger Wastegate Regulator Solenoid Valve Bracket
6 - Turbocharger Wastegate Regulator Solenoid Valve Bracket Bolt/Screw
7 - Turbocharger Wastegate Regulator Solenoid Hose
8 - Turbocharger Wastegate Regulator Solenoid Hose Clamp
9 - Turbocharger Oil Feed Pipe
10 - Turbocharger Oil Feed Pipe Bolt
11 - Turbocharger Oil Feed Pipe Gasket
12 - Turbocharger Oil Feed Pipe Gasket
13 - Turbocharger Oil Feed Pipe Bolt
14 - Turbocharger Coolant Return Pipe Gasket
15 - Turbocharger Coolant Return Pipe Bolt
16 - Turbocharger Coolant Return Pipe
17 - Turbocharger Coolant Return Pipe Bolt
18 - Turbocharger Coolant Return Pipe Gasket
19 - Turbocharger Coolant Feed Pipe
20 - Turbocharger Coolant Feed Pipe Gasket
21 - Turbocharger Coolant Feed Pipe Bolt
22 - Engine Coolant Heater
23 - Engine Coolant Heater Bolt
24 - Exhaust Manifold Heat Shield Bolt
25 - Exhaust Manifold Heat Shield Bolt
26 - Exhaust Manifold Heat Shield
27 - Exhaust Manifold Nut
28 - Exhaust Manifold
29 - Exhaust Manifold Gasket
30 - Exhaust Manifold Stud
31 - Oxygen Sensor Fastener
32 - Oxygen Sensor
33 - Oxygen Sensor Gasket
34 - Catalytic Converter Nut
35 - Catalytic Converter
36 - Catalytic Converter Seal
37 - Catalytic Converter Stud
38 - Catalytic Converter Bracket Bolts
39 - Catalytic Converter Bracket
40 - Catalytic Converter Bracket Nut
41 - Catalytic Converter Stud
42 - Turbocharger Air Cooler Outlet Pipe
43 - Turbocharger Air Cooler Outlet Pipe Bolt
44 - Turbocharger Heat Shield
45 - Turbocharger Heat Shield Bolts
46 - Turbocharger Air Cooler Outlet Pipe Seal
47 - Turbocharger Gasket
48 - Turbocharger
49 - Turbocharger Air Bypass Valve Spring
50 - Turbocharger Air Bypass Diaphragm Assembly
51 - Turbocharger Air Bypass Valve Cover
52 - Turbocharger Air Bypass Valve Cover Bolt
53 - Turbocharger Oil Return Pipe Gasket
54 - Turbocharger Oil Return Pipe Bolt
55 - Turbocharger Oil Return Pipe
56 - Turbocharger Oil Return Pipe O-Ring
57 - Turbocharger Brace

Engine Block and Components




1 - Water Pump to Engine Block Seal
2 - Water Pump Seal
3 - Water Pump
4 - Water Pump Bolt
5 - Outlet Pipe O-rings
6 - Outlet Pipe
7 - Coolant Thermostat Housing Bolt
8 - Coolant Thermostat Housing
9 - Thermostat Housing to Block Gasket
10 - Coolant Thermostat Housing Seal
11 - Coolant Temperature Sensor
12 - Thermostat
13 - Coolant Inlet
14 - Coolant Inlet Bolt
15 - Water Pipe Support Bracket
16 - Water Pipe Support Bracket Bolt
17 - Water Pipe Support Bracket Bolt Stud
18 - Piston Ring Assembly
19 - Piston Assembly
20 - Connecting Rod Bushing
21 - Connecting Rod
22 - Connecting Rod Bearing
23 - Connecting Rod Cap Bolt
24 - Oil Cooler O-ring
25 - Oil Cooler
26 - Oil Cooler Bolt
27 - Front Lift Bracket
28 - Front Lift Bracket Bolt
29 - Cylinder Head Gasket
30 - Cylinder Bore Liner
31 - Cylinder Head Alignment Pin
32 - Oil Filter Cap
33 - Oil Filter Cap O-ring
34 - Oil Filter
35 - Engine Block Gallery Plug
36 - Engine Block to Transaxle Alignment Pin
37 - Crankshaft Position Sensor
38 - Crankshaft Position Sensor Bolt
39 - Oil Pressure Switch
40 - Piston Oil Nozzle Assembly
41 - Manual Transaxle Flywheel to Crankshaft Bolt
42 - Flywheel - Manual Transaxle
43 - Automatic Transaxle Flywheel to Crankshaft Bolt
44 - Flywheel - Automatic Transaxle
45 - Crankshaft Rear Seal
46 - Engine Block
47 - Crankshaft Thrust Bearing - Upper
48 - Crankshaft Bearing - Upper
49 - Crankshaft
50 - Crankshaft Thrust Bearing - Lower
51 - Crankshaft Bearing - Lower
52 - Lower Crankcase Main Bearing Bolt
53 - Lower Crankcase Perimeter Bolt
54 - Engine Oil Pan
55 - Engine Oil Pan Alignment Pins
56 - Lower Crankcase Main Bearing Bolt
57 - Engine Oil Pan Drain Plug
58 - Engine Oil Pan Bolt
59 - Engine Oil Pan Long Bolt
60 - Knock Sensor - Rear
61 - Knock Sensor - Front
62 - Starter Bolt
63 - Starter

Timing Chain and Components




1 - Timing Chain Tensioner Body
2 - Timing Chain Tensioner Seal
3 - Adjustable Timing Chain Guide
4 - Adjustable Timing Chain Guide Bolt
5 - Timing Chain
6 - Fixed Timing Chain Guide Bolt
7 - Fixed Timing Chain Guide
8 - Timing Chain Drive Sprocket
9 - Friction Washers, some models
10 - Timing Chain Oil Nozzle Bolt
11 - Timing Chain Oil Nozzle
12 - Camshaft Position Actuator Bolt
13 - Intake Camshaft Position Actuator
14 - Camshaft Position Actuator Bolt
15 - Exhaust Camshaft Position Actuator
16 - Upper Timing Chain Guide
17 - Upper Timing Chain Guide Bolt
18 - Balance Shaft Drive Sprocket Bolts
19 - Exhaust Balance Shaft Drive Sprocket
20 - Intake Balance Shaft Drive Sprocket
21 - Exhaust Balance Shaft Bearing Carrier
22 - Intake Balance Shaft Bearing Carrier
23 - Exhaust Balance Shaft
24 - Intake Balance Shaft
25 - Balance Shaft Rear Bearing
26 - Water Pump Drive Sprocket Bolt
27 - Water Pump Drive Sprocket
28 - Balance Shaft Drive Chain Tensioner Assembly Bolt
29 - Balance Shaft Drive Chain Tensioner Assembly
30 - Adjustable Balance Shaft Drive Chain Guide Bolt
31 - Adjustable Balance Shaft Drive Chain Guide
32 - Balance Shaft Drive Chain
33 - Balance Shaft Drive Chain Guide Bolt
34 - Balance Shaft Drive Chain Guide
35 - Balance Shaft Drive Sprocket
36 - Balance Shaft Drive Chain Guide
37 - Balance Shaft Drive Chain Guide Bolt
38 - Engine Front Cover Alignment Pins
39 - Engine Front Cover Gasket
40 - Oil Pump Cover Bolt
41 - Oil Pump Cover
42 - Oil Pump Gear
43 - Oil Pump Inner Rotor
44 - Engine Front Cover
45 - Engine Front Cover Bolt
46 - Crankshaft Front Oil Seal
47 - Crankshaft Balancer
48 - Crankshaft Balancer Bolt
49 - Engine Front Cover Bolt
50 - Oil Pressure Relief Valve
51 - Oil Pressure Relief Valve O-Ring
52 - Water Pump Sprocket Access Cover Bolt
53 - Water Pump Sprocket Access Cover
54 - Water Pump Sprocket Access Cover Gasket
55 - Belt Tensioner Bolt
56 - Belt Tensioner
57 - Belt Tensioner Bolt
58 - Belt Tensioner Pulley Bolt
59 - Belt Tensioner
60 - Power Steering Pump Pulley