lemon-mirror:
Home >> Pontiac >> 2009 >> G8 V8-6.2L >> Repair and Diagnosis >> Powertrain Management >> Computers and Control Systems >> Body Control Module >> Diagrams >> Electrical Diagrams

Electrical Diagrams




Power Distribution Schematics

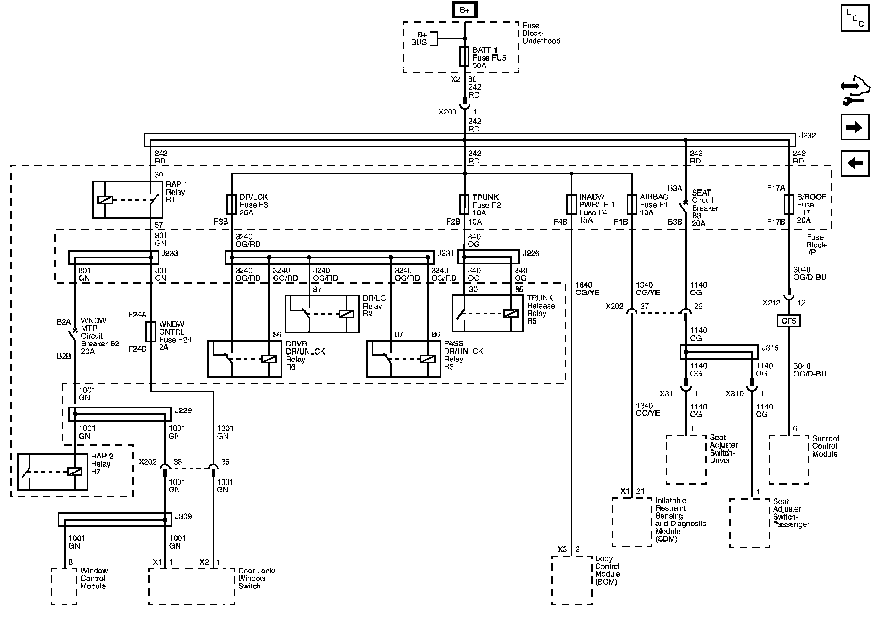
AIRBAG, BATT 1, DR/LCK, INADV/PWR/LED, S/ROOF, TRUNK, WNDW CNTRL Fuses and Seat and WNDW MTR Circuit Breakers






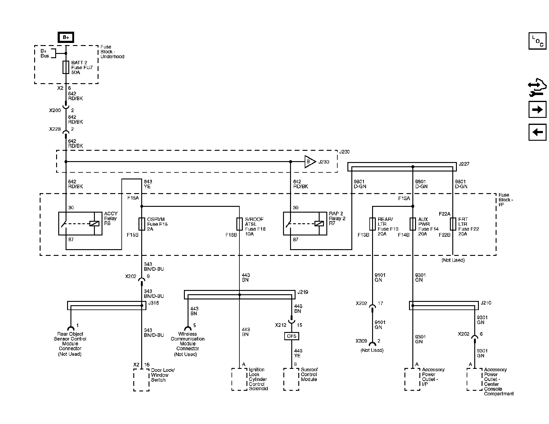
AUX PWR, BATT 2, FRT LTR, OSRVM, REAR LTR, and S/ROOF ATSL Fuses