lemon-mirror:
Home >> Pontiac >> 2009 >> G8 V8-6.2L >> Repair and Diagnosis >> Diagrams >> Components >> Front of Vehicle/Engine Compartment Component Views

Front of Vehicle/Engine Compartment Component Views




Front of Vehicle/Engine Compartment Component Views

G8 Front Bumper Fascia Locator




1 - Front Bumper Fascia Reinforcement
2 - Radiator Grille
3 - Front Bumper Fascia Lower Grille
4 - Front Bumper Fascia

Brake Fluid Level Switch




1 - Power Brake Booster Vacuum Sensor Electrical Connector
2 - Power Brake Booster Vacuum Sensor
3 - Master Cylinder Reservoir
4 - Master Cylinder Assembly
5 - Brake Fluid level Switch Electrical Connector
6 - Brake Fluid level Switch

Wiper and Washer Switch




1 - Wiper/Washer Switch
2 - Steering Wheel
3 - Wiper Motor

Exterior Lamps - Front View




1 - Repeater Lamp Assembly
2 - Repeater Lamp Bulb
3 - Low Beam/Daytime Running Lamp Bulb
4 - Headlamp Assembly
5 - High Beam Bulb
6 - Headlamp Assembly Electrical Connector
7 - High Beam Bulb Dust Cover
8 - Headlamp Adjuster
9 - Low Beam Bulb Dust Cover
10 - Front Indicator and Park Lamp Bulb
11 - Fog Lamp Bulb
12 - Fog Lamp Adjuster
13 - Fog Lamp Assembly
14 - Front Side Marker Bulb
15 - Front Side Marker Assembly

Horn System




1 - Horn Switch
2 - Theft Deterrent Alarm Siren
3 - Horn - Left
4 - Horn - Right

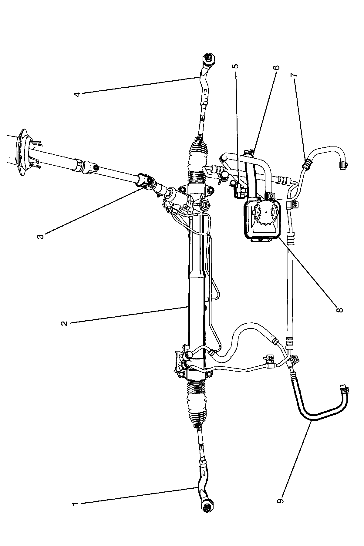
Power Steering Components




1 - Right Tie Rod End
2 - Intermediate Steering Shaft
3 - Power Steering Rack
4 - Left Tie Rod End
5 - Power Steering Pump
6 - Fluid Reservoir Outlet Pipe/Hose
7 - Fluid Reservoir Inlet Pipe/Hose
8 - Fluid Reservoir
9 - Power Steering Gear Outlet Pipe/Hose

Component locator (LY7)




1 - Fuse Block - Underhood
2 - Battery
3 - Battery Remote Positive Post
4 - Starter Motor
5 - Alternator

Component locator (L76)




1 - Fuse Block - Underhood
2 - Battery
3 - Battery Remote Positive Post
4 - Alternator
5 - Starter Motor