lemon-mirror:
Home >> Pontiac >> 2009 >> G6 L4-2.4L >> Repair and Diagnosis >> Diagrams >> Components >> Powertrain Component Views

Powertrain Component Views




Powertrain Component Views

Top of Engine Components (LE5)




1 - Ignition Coil 4
2 - Ignition Coil 3
3 - Ignition Coil 2
4 - Camshaft Position (CMP) Actuator Solenoid Valve - Intake
5 - Camshaft Position (CMP) Actuator Solenoid Valve - Exhaust
6 - Ignition Coil 1
7 - G104
8 - Engine Harness
9 - Engine Block Heater Connector
10 - Heated Oxygen Sensor (HO2S) 1
11 - Heated Oxygen Sensor (HO2S) 2
12 - Engine Coolant Temperature (ECT) Sensor
13 - Camshaft Position (CMP) Sensor Exhaust
14 - G103
15 - Camshaft Position (CMP) Sensor Intake
16 - Evaporative Emission (EVAP) Canister Purge Solenoid Valve

Front of the Engine Components 1 of 2 (LE5)




1 - Mass Air Flow (MAF) / Intake Air Temperature (IAT) Sensor Connector
2 - J101
3 - G106
4 - Fuse Block - Underhood X1
5 - X108
6 - X100
7 - J118
8 - G105
9 - X130

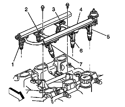
Front of the Engine Components 2 of 2 (LE5)




1 - Fuel Injector 1
2 - Fuel Injector 2
3 - Fuel Injector 3
4 - Manifold Absolute Pressure (MAP) Sensor
5 - Fuel Injector 4
6 - Evaporative Emission (EVAP) Canister Purge Solenoid Valve
7 - Camshaft Position (CMP) Sensor - Intake
8 - Knock Sensor (KS)
9 - Engine Oil Pressure (EOP) Switch
10 - Crankshaft Position (CKP) Sensor
11 - Starter Solenoid
12 - Starter Motor
13 - Intake Manifold

Rear of the Engine Components (LE5)




1 - Evaporative Emission (EVAP) Canister Purge Solenoid Valve
2 - Camshaft Position (CMP) Sensor - Exhaust
3 - Heated Oxygen Sensor (HO2S) 1
4 - Heated Oxygen Sensor (HO2S) 2
5 - Starter Motor
6 - Engine Coolant Temperature (ECT) Sensor
7 - Camshaft Position (CMP) Sensor - Intake

Front View of Engine Components 1 of 2 (LY7)




1 - G113
2 - Fuse Block - Underhood
3 - Engine Control Module (ECM)
4 - J199
5 - Automatic Transmission (MH2)
6 - Heated Oxygen Sensor (HO2S) - Bank 2 Sensor 1
7 - Knock Sensor (KS) 2
8 - Heated Oxygen Sensor (HO2S) - Bank 2 Sensor 2
9 - A/C Compressor Clutch
10 - Engine Oil Pressure (EOP) Switch
11 - Generator
12 - Engine Coolant Temperature (ECT) Sensor

Front of Engine Components 2 of 2 (LY7)




1 - Manifold Absolute pressure (MAP) Sensor
2 - Intake Manifold Tuning (IMT) Solenoid Valve
3 - Camshaft Position (CMP) Sensor - Bank 2 Intake
4 - Camshaft Position (CMP) Actuator Solenoid Valve - Bank 2 Intake
5 - Camshaft Position (CMP) Sensor - Bank 2 Exhaust
6 - Mass Air Flow (MAF) /Intake Air Temperature (IAT) Sensor
7 - Camshaft Position (CMP) Actuator Solenoid Valve - Bank 2 Exhaust
8 - Camshaft Position (CMP) Sensor - Bank 1 Intake
9 - Camshaft Position (CMP) Actuator Solenoid Valve - Bank 1 Exhaust
10 - Camshaft Position (CMP) Actuator Solenoid Valve - Bank 1 Intake
11 - Camshaft Position (CMP) Sensor - Bank 1 Exhaust
12 - Evaporative Emission (EVAP) Canister Purge Solenoid Valve

Top of Engine Components (LY7)




1 - Ignition Coil 1
2 - Fuel Injector 1
3 - Ignition Coil 3
4 - Fuel Injector 3
5 - Ignition Coil 5
6 - Fuel Injector 5
7 - Fuel Injector 6
8 - Ignition Coil 6
9 - Fuel Injector 4
10 - Ignition Coil 4
11 - Ignition Coil 2
12 - Fuel Injector 2

Rear of Engine Components (LY7)




1 - Throttle Body
2 - G108
3 - Heated Oxygen Sensor (HO2S) - Bank 1 Sensor 1
4 - Heated Oxygen Sensor (HO2S) - Bank 1 Sensor 2
5 - Knock Sensor (KS) 1
6 - Crankshaft Position (CKP) Sensor
7 - G111
8 - G105

Rear of Engine Compartment Components (LZ9/LZ4)




1 - Heated Oxygen Sensor (HO2S) - Bank 1 Sensor 2
2 - Heated Oxygen Sensor (HO2S) - Bank 2 Sensor 2

Front of Engine Components (LZ4)




1 - Transmission Control Module (TCM)
2 - X100
3 - Heated Oxygen Sensor (HO2S) - Bank 2 Sensor 1
4 - X130

Left Side of Engine Components (LZ4)




1 - G106
2 - Park/Neutral Position (PNP) Switch (MN5)
3 - Fuse Block - Underhood
4 - X108
5 - Engine Control Module (ECM)
6 - X103
7 - G105

Front of Engine Components (LZ4)




1 - Mass Air Flow (MAF)/Intake Air Temperature (IAT) Sensor
2 - Evaporative Emission (EVAP) Canister Purge Solenoid Valve
3 - Throttle Body
4 - Fuse Block - Underhood
5 - Engine Control Module (ECM)
6 - Transmission Control Module (TCM)
7 - X100
8 - Heated Oxygen Sensor (HO2S) - Bank 2 Sensor 1
9 - Starter Motor
10 - Engine Oil Pressure (EOP) Sensor
11 - Heated Oxygen Sensor (HO2S) - Bank 2 Sensor 2
12 - Knock Sensor (KS) 2

Top of Engine Components (LZ4)




1 - Fuel Injector 6
2 - Fuel Injector 5
3 - Fuel Injector 4
4 - Camshaft Position (CMP) Sensor
5 - Fuel Injector 1
6 - Fuel Injector 2
7 - Fuel Injector 3

Lower Left Front of Engine Components (LZ4)




1 - Engine Oil Pressure (EOP) Sensor
2 - Starter Motor
3 - Starter Solenoid
4 - Knock Sensor (KS) 2

Rear of Engine Components (LZ4)




1 - Manifold Absolute Pressure (MAP) Sensor
2 - Ignition Control Module (ICM)
3 - Heated Oxygen Sensor (HO2S) - Bank 1 Sensor 1
4 - Knock Sensor (KS)1
5 - Engine Coolant Temperature (ECT) Sensor
6 - Crankshaft Position (CKP) Sensor
7 - Vehicle Speed Sensor (VSS) (MN5/M15)
8 - Engine Oil Level Sensor
9 - Heated Oxygen Sensor (HO2S) - Bank 1 Sensor 2
10 - Park / Neutral Position (PNP) Switch (MN5)

Front of the Engine Components (LZ9)




1 - Intake Manifold Tuning (IMT) Valve Solenoid
2 - Evaporative Emission (EVAP) Canister Purge Solenoid Valve
3 - Throttle Body
4 - Heated Oxygen Sensor (HO2S) - Bank 1 Sensor 1
5 - Knock Sensor (KS) 2
6 - Starter Solenoid
7 - Starter Motor
8 - Engine Oil Pressure (EOP) Sensor
9 - Camshaft Position (CMP) Actuator Solenoid Valve
10 - Camshaft Position (CMP) Sensor

Front of the Engine Components 2 of 2 (LZ9 with M15)




1 - X130
2 - Throttle Body Connector
3 - G105
4 - X108
5 - Fuse Block Underhood X1 Connector
6 - Transmission Control Module (TCM) Connector
7 - J118
8 - J119
9 - Transmission
10 - J111
11 - Engine Cooling Fan - Right Connector
12 - G106

Top of Engine Components 1 of 2 (LZ9)




1 - Mass Air Flow (MAF)/Intake Air Temperature (IAT) Sensor

Top of Engine Components 2 of 2 (LZ9)




1 - Fuel Injector 1
2 - Fuel Injector 3
3 - Fuel Injector 5
4 - Fuel Rail
5 - Fuel Injector 6
6 - Fuel Injector 4
7 - Fuel Injector 2

Lower Left Front of Engine Components (LZ9)




1 - Engine Oil Pressure (EOP) Sensor
2 - Starter Motor
3 - Starter Solenoid
4 - Knock Sensor (KS) 2

Lower Right Front of Engine Components (LZ9)




1 - A/C Compressor Clutch

Rear of the Engine Components (LZ9)




1 - Throttle Body
2 - Manifold Absolute Pressure (MAP) Sensor
3 - Ignition Control Module (ICM)
4 - Heated Oxygen Sensor (HO2S) - Bank 2 Sensor 1
5 - Knock Sensor (KS) 2
6 - Block Heater
7 - Crankshaft Position (CKP) Sensor
8 - Engine Oil Level Sensor
9 - Starter Motor
10 - Engine Coolant Temperature (ECT) Sensor

Top Rear of Engine Components (LZ9)




1 - Manifold Absolute Pressure (MAP) Sensor
2 - Generator
3 - Heated Oxygen Sensor (HO2S) - Bank 1 Sensor 1
4 - Ignition Control Module (ICM)
5 - Exhaust Gas Recirculation (EGR) Valve
6 - Evaporative Emission (EVAP) Canister Purge Solenoid Valve
7 - Throttle Body

Left Rear of Engine Components (LZ9)




1 - G105
2 - G106
3 - Engine Coolant Temperature (ECT) Sensor
4 - Park/Neutral Position (PNP) Switch (MN5)

Transmission Electronic Components (MN5)




13 - Automatic Transmission Fluid Pressure (TFP) Manual Valve Position Switch
46 - Automatic Transmission Input Shaft Speed (ISS) Sensor
62 - Automatic Transmission Output Shaft Speed (OSS) Sensor
305 - 1-2 Shift Solenoid (SS) Valve
305 - 2-3 Shift Solenoid (SS) Valve
312 - Pressure Control (PC) Solenoid Valve
335 - Torque Converter Clutch (TCC) Pulse Width Modulation (PWM) Solenoid Valve

Transmission Electronic Components (M15)




10 - Vehicle Speed Sensor (VSS)
315a - 1-2 Shift Solenoid (SS) Valve
315b - 2-3 Shift Solenoid (SS) Valve
322 - Pressure Control (PC) Solenoid Valve
334 - Torque Converter Clutch (TCC) Pulse Width Modulation (PWM) Solenoid Valve
391 - Automatic Transmission Fluid Temperature (TFT) Sensor
395 - Automatic Transmission Fluid Pressure (TFP) Manual Valve Position Switch
440 - Automatic Transmission Input Shaft Speed (ISS) Sensor
811 - Internal Mode Switch (IMS)

Transmission Electronic Components (MH2 or MH8)




1 - Control Solenoid Valve Assembly
2 - Automatic Transmission Internal Mode Switch (IMS)
3 - Automatic Transmission Output Speed (OSS) Sensor
4 - Automatic Transmission Input Speed (ISS) Sensor