lemon-mirror:
Home >> Pontiac >> 2009 >> G6 L4-2.4L >> Repair and Diagnosis >> Diagrams >> Components >> Instrument Panel/Center Console Component Views

Instrument Panel/Center Console Component Views




Instrument Panel/Center Console Component Views

Behind the Right Side of the I/P Components




1 - Vehicle Communication Interface Module (VCIM)(UE1)

Behind the Center of the I/P Components




1 - Mode Actuator (C60)

Lower Left of the I/P Components 1 of 5




1 - Brake Pedal Position (BPP) Sensor
2 - Adjustable Pedal Position Sensor (JF4)

Lower Left of the I/P Components 2 of 5




1 - Brake Pedal Position (BPP) Sensor
2 - Accelerator Pedal Position (APP) Sensor
3 - Accelerator Pedal
4 - Brake Pedal

Lower Left of the I/P Components 3 of 5 (NV7)




1 - Electronic Power Steering Control Module
2 - Adjustable Pedal Module (JF4)
3 - Brake Pedal Position (BPP) Sensor

Lower Left of the I/P Components 4 of 5




1 - Accelerator Pedal Position (APP) Sensor
2 - Adjustable Accelerator Pedal Position Motor (JF4)
3 - Air Temperature Actuator

Lower Left of the I/P Components 5 of 5




1 - Power Steering Control Module

Center of the I/P Components (C68)




1 - Air Temperature Sensor - Upper

Lower Right of the I/P Components 1 of 3




1 - Air Temperature Actuator
2 - Blower Motor

Lower Right of the I/P Components 2 of 3




1 - Blower Motor Resistor (C60), Blower Motor Control Module (C68)
2 - Blower Motor

Lower Right of the I/P Components 3 of 3




1 - Body Control Module (BCM)
2 - Air Temperature Sensor - Lower (C68)
3 - G203
4 - G201

Upper Right of the I/P Components




1 - Recirculation Actuator

Top of Steering Column Components




1 - Inflatable Restraint Steering Wheel Module Coil
2 - Ignition Switch
3 - Windshield Wiper/Washer Switch
4 - Turn Signal/Multifunction Switch

Right of Steering Column Components




1 - Theft Deterrent Module (TDM)
2 - Ignition Switch

Lower Center and Right of the I/P Components




1 - Radio, X1
2 - Body Control Module (BCM), X2
3 - HVAC Control Module, X2
4 - HVAC Control Module, X1
5 - Inflatable Restraint I/P Module Connector
6 - X207
7 - G201
8 - G203
9 - Body Control Module (BCM), X3
10 - Body Control Module (BCM), X1
11 - Body Control Module (BCM)

I/P Components




1 - Turn Signal/Multifunction Switch
2 - Steering Wheel Control Switches- Left (K34)
3 - Instrument Panel Cluster (IPC)
4 - Steering Wheel Control Switches - Right (UK3)
5 - Windshield Wiper/Washer Switch
6 - Ignition Switch
7 - Hazard Warning Switch
8 - Ambient Light Sensor (C60) or Sunload Sensor (C68)
9 - Radio
10 - Inflatable Restraint I/P Module
11 - Rear Window Defogger Switch
12 - Inflatable Restraint I/P Module Indicator
13 - Traction Control Switch (NW9) or Accessory Power Outlet - Center Console 2 (without NW9)
14 - Accessory Power Outlet - Center Console 1 (without NW9) or Accessory Power Outlet - Center Console (NW9)
15 - A/C Request Switch (C60)
16 - HVAC Control Module
17 - Inflatable Restraint Steering Wheel Module
18 - Data Link Connector (DLC)
19 - Hood Release Handle
20 - Fog Lamp Switch (T96)
21 - I/P Dimmer Switch
22 - Adjustable Pedal Position Switch (JF4)

Left Front of Center Console Components




1 - X214
2 - Cigar Lighter
3 - Traction Control Switch (TCS) (NW9)

Under the Center Console Components 1 of 4




1 - Park Brake Lever Assembly
2 - Park Brake Switch

Under the Center Console Components 2 of 4




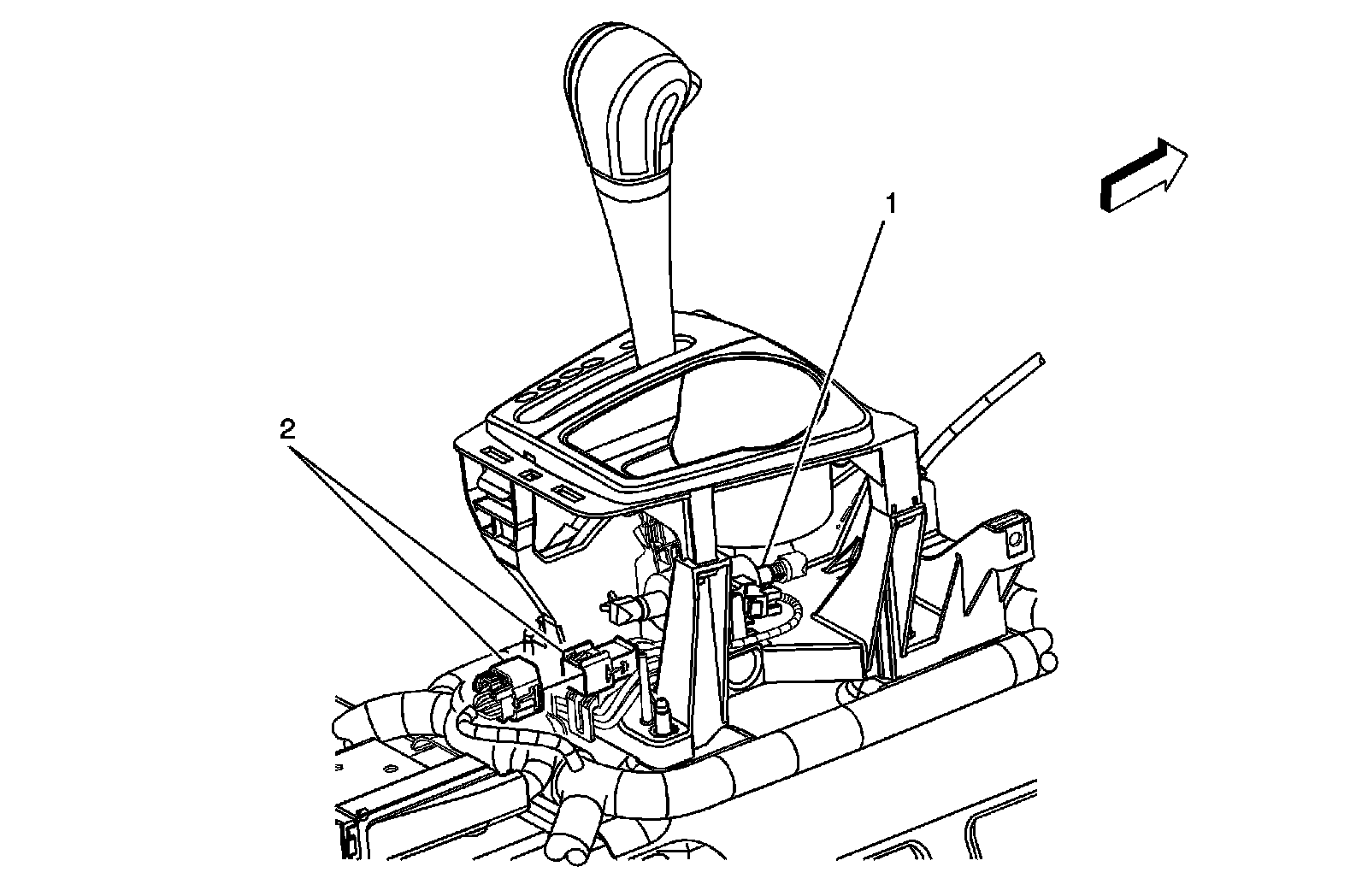
1 - Automatic Transmission Shift Lock Control Solenoid
2 - Automatic Transmission Manual Shift Switch

Under the Center Console Components 3 of 4




1 - Automatic Transmission Shift Lock Control Solenoid
2 - Transmission Range Indicator Lamp

Under the Center Console Components 3 of 4




1 - Yaw and Lateral Accelerometer Sensor (FX3)

Rear of Center Console Compartment Components




1 - Accessory Power Outlet - Center Console Compartment (NW9)